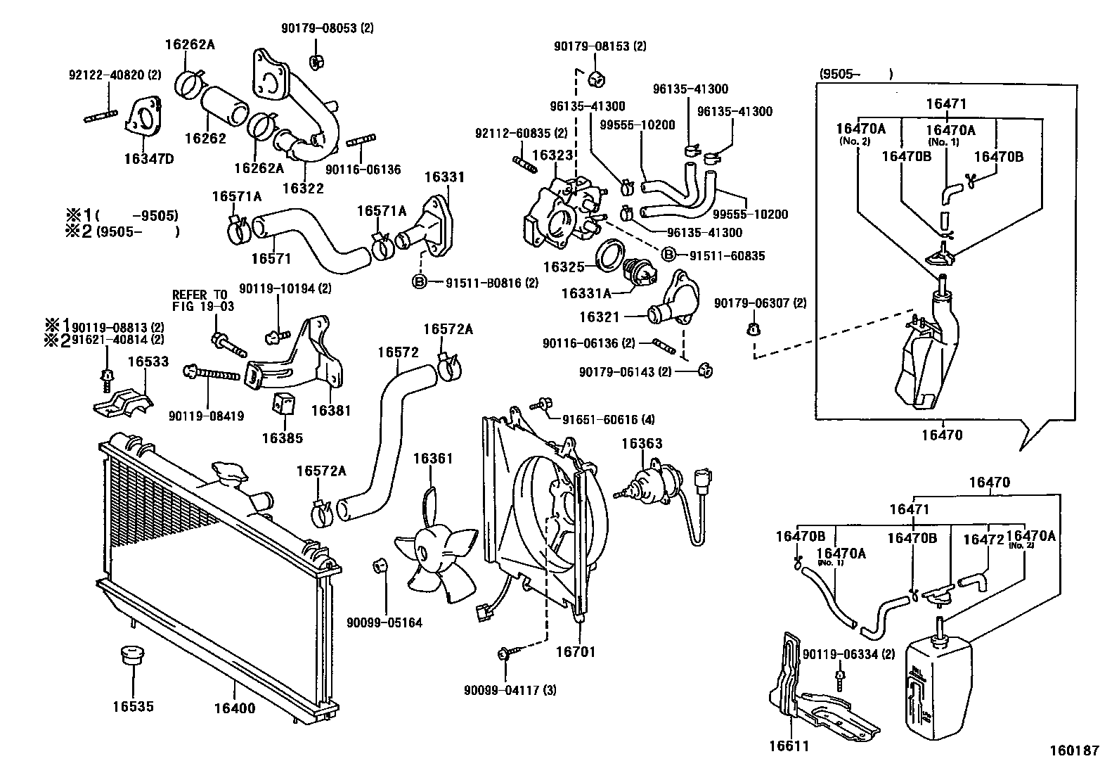
RADIATOR & WATER OUTLET

16262HOSE, WATER INLET
16262ACLIP(FOR WATER INLET HOSE)
16321INLET, WATER
16322PIPE, WATER INLET
16323HOUSING, WATER INLET
16325GASKET, WATER INLET HOUSING, NO.1
16331OUTLET, WATER
16331ATHERMOSTAT
*WAX 82-95
16347DGASKET, WATER BY-PASS
16361FAN
NIPPONDENSO USA
NIPPONDENSO JAPAN
16363MOTOR, COOLING FAN
(L)
(J)
16381BAR, FAN BELT ADJUSTING
16385SLIDER, FAN BELT ADJUSTING
16400RADIATOR ASSY
16470TANK ASSY, RADIATOR RESERVE
16470AHOSE OR PIPE(FOR RADIATOR RESERVE TANK)
NO.1
NO.1
L=600(*H,L=170),NO.2
16470BCLAMP OR CLIP(FOR RADIATOR RESERVE TANK HOSE)
16471CAP SUB-ASSY, RESERVE TANK
16472HOSE, BREATHER
16533SUPPORT, RADIATOR, UPPER
(L); W(*66),(L),RH
(J); W(*66),(J),RH
W(*66),LH
16535SUPPORT, RADIATOR, LOWER
MARUYASU
TOYOTA GOUSEI
16571HOSE, RADIATOR, INLET
(L)
(J)
16571ACLAMP OR CLIP, HOSE(FOR RADIATOR INLET)
16572HOSE, RADIATOR, OUTLET
(L)
(J)
16572ACLAMP OR CLIP, HOSE(FOR RADIATOR OUTLET NO.1)
16611BRACKET, RADIATOR RESERVE TANK
16701SHROUD SUB-ASSY, FAN
NIPPONDENSO USA
NIPPONDENSO JAPAN
1903ALTERNATOR
9009904117
main90099-04117
9009905164
main90099-05164
9011606136
main90116-06136
9011906334
main90119-06334
9011908419
main90119-08419
9011908813
main90119-08813
9011910194
main90119-10194
9017906143
main90179-06143
9017906307
main90179-06307
9017908053
main90179-08053
9017908153
main90179-08153
9151160835
main91511-60835
91511B0816
main91511-B0816
9162140814
main91621-40814
9165160616
main91651-60616
9211260835
main92112-60835
9212240820
main92122-40820
9613541300
main96135-41300
9955510200
main99555-10200
47 parts on this diagram · 2 diagrams in section