E
EPC Data

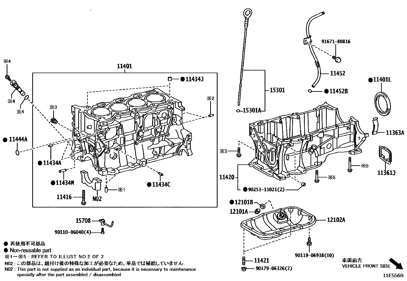
CYLINDER BLOCK

Parts diagram
11361JCOVER, FLYWHEEL HOUSING UNDER
main11361-21011i201909
11363ACOVER, FLYWHEEL HOUSING SIDE
main11363-33010i201909
11401BLOCK SUB-ASSY, CYLINDER
main11410-09456i201909
(L)
main11410-39245i201909-202209
(J)
main11410-39295i202210-202303
main11410-39296i202303
11401LSEAL, ENGINE REAR OIL
main90311-78008i201909
11416BOLT(FOR CRANKSHAFT BEARING CAP SET)
main90910-02163i201909
11420CRANKCASE ASSY, STIFFENING
main11420-37010i201909
main11420-37040i202210
11421BOLT, STUD(FOR OIL PAN)
main90126-06028i201909
11434APIN, STRAIGHT(FOR TIMING GEAR COVER SET)
main90250-04097i201909
L=12,OD=4.0
11434CPIN, STRAIGHT (FOR CYLINDER HEAD SET)
main90250-04097i201909
L=12,OD=4.0
11434JPIN, RING (FOR CYLINDER HEAD SET)
main90253-13001i201909
11434MPIN, STRAIGHT(FOR CHAIN TENSIONER)
main90250-10030i201909
11444ARING, O
main96723-24020i201909
11452GUIDE, OIL LEVEL GAGE
main11452-37011i201909
main11452-37040i202210
11452BRING, O(FOR OIL LEVEL GAGE GUIDE)
main96721-19010i201909
12101APLUG(FOR OIL PAN DRAIN)
main90341-12012i201909
12101BGASKET(FOR OIL PAN DRAIN PLUG)
main90430-12031i201909
12102APAN SUB-ASSY, OIL, NO.2
main12102-37010i201909
15301GAGE SUB-ASSY, OIL LEVEL
main15301-37010i201909
15301ARING, O(FOR OIL LEVEL GAGE)
main96741-19005i201909
15708NOZZLE SUB-ASSY, OIL, NO.1
main15708-37012i201909
9011006040
9011906938
9017906326
9025311021
9167180816

25 parts on this diagram · 4 diagrams in section

CYLINDER BLOCK — Toyota Parts Diagram with OEM Numbers & Prices | EPC Data