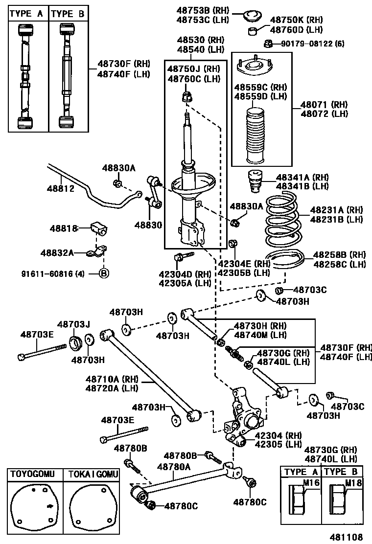
REAR SPRING & SHOCK ABSORBER

42304CARRIER SUB-ASSY, REAR AXLE, RH
W(ABS)
PHILIPPINES SPEC
W(ABS)
W(ABS & SUPER STRUT SUSPENSION)
W(ABS)
42304DBOLT (FOR REAR AXLE CARRIER RH)
sub90105-12236
42304ENUT (FOR REAR AXLE CARRIER RH)
42305CARRIER SUB-ASSY, REAR AXLE, LH
PHILIPPINES SPEC
W(ABS)
W(ABS)
W(ABS & SUPER STRUT SUSPENSION)
W(ABS)
42305ABOLT (FOR REAR AXLE CARRIER LH)
sub90105-12236
42305BNUT (FOR REAR AXLE CARRIER LH)
48071SUPPORT SUB-ASSY, REAR SUSPENSION, RH
sub48071-12140
W(TEMS)
ROUGH ROAD PACKAGE;THAILAND SPEC & MALAYSIA SPEC;SOUTH-EAST ASIA CKD
THAILAND SPEC
ROUGH ROAD PACKAGE 1
main48071-12140iEE100..LHD..5F..GEN;EE100..(3FC,4F)..GEN;AE101..LHD..GLI..GEN;AE101..(GL,XL,XLI)..GEN199505-199905
ROUGH ROAD PACKAGE
SOUTH-EAST ASIA CKD & ROUGH ROAD PACKAGE
48072SUPPORT SUB-ASSY, REAR SUSPENSION, LH
sub48072-12140
W(TEMS)
THAILAND SPEC
ROUGH ROAD PACKAGE 1
main48072-12140iEE100..LHD..5F..GEN;EE100..(3FC,4F)..GEN;AE101..LHD..GLI..GEN;AE101..(GL,XL,XLI)..GEN199505-199905
ROUGH ROAD PACKAGE
SOUTH-EAST ASIA CKD & ROUGH ROAD PACKAGE
ROUGH ROAD PACKAGE;THAILAND SPEC & MALAYSIA SPEC;SOUTH-EAST ASIA CKD
48231ASPRING, COIL, REAR RH
W(TEMS)
THAILAND SPEC OR MALAYSIA SPEC OR W(TEMS)
NEW ZEALAND SPEC & W(TEMS)
sub48231-1E410
W(TEMS)
ROUGH ROAD PACKAGE & VENEZUELA SPEC
ROUGH ROAD PACKAGE 1
ROUGH ROAD PACKAGE
ROUGH ROAD PACKAGE 1 & VENEZUELA SPEC OR VENEZUELA SPEC & W(TEMS)
THAILAND SPEC & W(TEMS);MALAYSIA SPEC & W(TEMS)
NEW ZEALAND SPEC & W(TEMS)
sub48231-1E600
W(SUPER STRUT SUSPENSION)
sub48231-1E600
NEW ZEALAND SPEC & W(TEMS)
W(TEMS)
ROUGH ROAD PACKAGE
ROUGH ROAD PACKAGE 1
48231BSPRING, COIL, REAR LH
W(TEMS)
THAILAND SPEC OR MALAYSIA SPEC OR W(TEMS)
NEW ZEALAND SPEC & W(TEMS)
sub48231-1E410
W(TEMS)
ROUGH ROAD PACKAGE & VENEZUELA SPEC
ROUGH ROAD PACKAGE
ROUGH ROAD PACKAGE 1
THAILAND SPEC & W(TEMS);MALAYSIA SPEC & W(TEMS)
ROUGH ROAD PACKAGE 1 & VENEZUELA SPEC OR VENEZUELA SPEC & W(TEMS)
NEW ZEALAND SPEC & W(TEMS)
sub48231-1E600
W(SUPER STRUT SUSPENSION)
sub48231-1E600
NEW ZEALAND SPEC & W(TEMS)
W(TEMS)
ROUGH ROAD PACKAGE
ROUGH ROAD PACKAGE 1
48341ABUMPER, REAR SPRING, NO.1 RH
ROUGH ROAD PACKAGE 1 & VENEZUELA SPEC
ROUGH ROAD PACKAGE
main48341-12130iEE100..LHD..5F..GEN;EE100..(3FC,4F)..GEN;AE101..LHD..GLI..GEN;AE101..(GL,STD,XL,XLI)..GEN199205-199510
SOUTH-EAST ASIA CKD SPEC OR THAILAND SPEC OR MALAYSIA SPEC OR ROUGH ROAD PACKAGE
THAILAND SPEC
ROUGH ROAD PACKAGE 1
SOUTH-EAST ASIA CKD SPEC OR THAILAND SPEC OR MALAYSIA SPEC
W(TEMS)
ROUGH ROAD PACKAGE
48341BBUMPER, REAR SPRING, NO.1 LH
ROUGH ROAD PACKAGE 1 & VENEZUELA SPEC
SOUTH-EAST ASIA CKD SPEC
SOUTH-EAST ASIA CKD SPEC OR THAILAND SPEC OR MALAYSIA SPEC OR ROUGH ROAD PACKAGE
SOUTH-EAST ASIA CKD SPEC OR THAILAND SPEC
ROUGH ROAD PACKAGE
SOUTH-EAST ASIA CKD SPEC OR THAILAND SPEC OR MALAYSIA SPEC
THAILAND SPEC
ROUGH ROAD PACKAGE 1
SOUTH-EAST ASIA CKD SPEC;ROUGH ROAD PACKAGE
W(TEMS)
ROUGH ROAD PACKAGE
48530ABSORBER ASSY, SHOCK, REAR RH
ROUGH ROAD PACKAGE 1 & VENEZUELA SPEC
W(TEMS)
sub48530-12820
sub48530-12780
W(SUPER STRUT SUSPENSION)
sub48530-80005
NEW ZEALAND SPEC
sub48530-12550
ROUGH ROAD PACKAGE 1
ROUGH ROAD PACKAGE
sub48530-80019
MARK 48531-13230
48540ABSORBER ASSY, SHOCK, REAR LH
MARK 48531-13230
ROUGH ROAD PACKAGE 1 & VENEZUELA SPEC
W(TEMS)
sub48540-12750
sub48540-12710
W(SUPER STRUT SUSPENSION)
sub48540-19225
NEW ZEALAND SPEC
sub48540-12490
ROUGH ROAD PACKAGE 1
ROUGH ROAD PACKAGE
sub48540-19226
48559CCOVER, REAR SHOCK ABSORBER DUST, RH NO.1
sub48559-12080
TYPE A:REFER TO ILLUSTRATION
TYPE B:REFER TO ILLUSTRATION
48559DCOVER, REAR SHOCK ABSORBER DUST, LH NO.1
sub48559-12080
TYPE A:REFER TO ILLUSTRATION
TYPE B:REFER TO ILLUSTRATION
48703CNUT(FOR REAR SUSPENSION ARM)
48703EBOLT(FOR REAR SUSPENSION ARM)
*14-1.50PX225-32
*14-1.5PX222-29
48703HWASHER, NO.1(FOR REAR SUSPENSION ARM)
48703JWASHER, NO.2(FOR REAR SUSPENSION ARM)
48710AARM ASSY, REAR SUSPENSION, NO.1 RH
NEW ZEALAND SPEC
sub48710-12240
sub48710-12200
NEW ZEALAND SPEC
VENEZUELA SPEC
48720AARM ASSY, REAR SUSPENSION, NO.1 LH
NEW ZEALAND SPEC
sub48710-12240
sub48710-12200
NEW ZEALAND SPEC
VENEZUELA SPEC
48730FARM ASSY, REAR SUSPENSION, NO.2 RH
sub48730-12140
sub48730-12120
NEW ZEALAND SPEC
sub48730-12120
sub48730-12090
sub48730-12110
TYPE A:REFER TO ILLUSTRATION
NEW ZEALAND SPEC
sub48730-12150
48730GNUT, NO.1(FOR REAR SUSPENSION ARM NO.2 RH)
TYPE A:REFER TO ILLUSTRATION
TYPE B:REFER TO ILLUSTRATION
48730HNUT, NO.2(FOR ARM ASSY, REAR SUSPENSION, NO.2 RH)
TYPE A:REFER TO ILLUSTRATION
TYPE B:REFER TO ILLUSTRATION
48740FARM ASSY, REAR SUSPENSION, NO.2 LH
sub48730-12140
NEW ZEALAND SPEC
sub48730-12120
sub48730-12120
sub48730-12090
sub48730-12110
TYPE A:REFER TO ILLUSTRATION
NEW ZEALAND SPEC
sub48730-12150
48740LNUT, NO.1(FOR REAR SUSPENSION ARM NO.2 LH)
TYPE A:REFER TO ILLUSTRATION
TYPE B:REFER TO ILLUSTRATION
48740MNUT, NO.2(FOR ARM ASSY, REAR SUSPENSION, NO.2 LH)
TYPE A:REFER TO ILLUSTRATION
TYPE B:REFER TO ILLUSTRATION
48750JNUT(FOR REAR SUPPORT TO REAR SHOCK ABSORBER RH)
48753BCOVER, REAR SUSPENSION SUPOPORT, NO.1 RH
W(TEMS)
48753CCOVER, REAR SUSPENSION SUPOPORT, NO.1 LH
W(TEMS)
48760CNUT(FOR REAR SUPPORT TO REAR SHOCK ABSORBER LH)
48780BBOLT(FOR STRUT ROD)
48780CNUT(FOR STRUT ROD)
CARRIER SIDE
BODY SIDE
CARRIER SIDE
48812BAR, STABILIZER, REAR
ROUGH ROAD PACKAGE 1
ROUGH ROAD PACKAGE
THAILAND SPEC OR MALAYSIA SPEC
THAILAND SPEC
SOUTH-EAST ASIA CKD SPEC OR THAILAND SPEC OR MALAYSIA SPEC
INDONESIA SPEC OR THAILAND SPEC & MALAYSIA SPEC
VENEZUELA SPEC
NEW ZEALAND SPEC
W(SUPER STRUT SUSPENSION)
48818BUSH, STABILIZER, REAR
THAILAND SPEC
THAILAND SPEC & MALAYSIA SPEC
VENEZUELA SPEC
SOUTH-EAST ASIA CKD SPEC OR THAILAND SPEC OR MALAYSIA SPEC
INDONESIA SPEC OR THAILAND SPEC & MALAYSIA SPEC
NEW ZEALAND SPEC
W(SUPER STRUT SUSPENSION)
ROUGH ROAD PACKAGE
ROUGH ROAD PACKAGE 1
sub48818-12170
48830ANUT(FOR REAR STABILIZER LINK)
48832ABRACKET, REAR STABILIZER BAR, NO.1
9017908122
main90179-08122
9161160816
main91611-60816
46 parts on this diagram · 4 diagrams in section