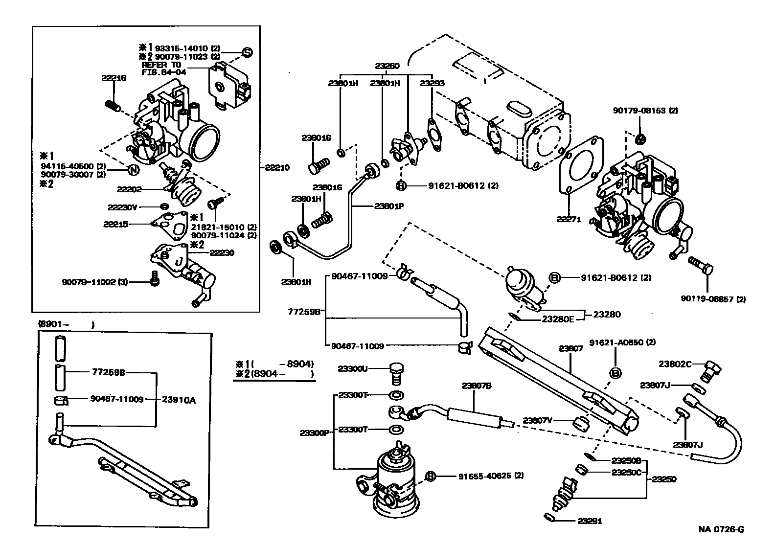
FUEL INJECTION SYSTEM

22202DASH POT SUB-ASSY
22210BODY ASSY, THROTTLE
22215GASKET, THROTTLE BODY COVER
22216SCREW, DASH POT ADJUSTING
22230VALVE ASSY, AUXILIARY AIR
22230VRING, O(FOR AUXILIARY AIR VALVE)
22271GASKET, THROTTLE BODY
23250INJECTOR ASSY, FUEL
23250BRING, O(FOR FUEL INJECTOR)
23250CGROMMET(FOR FUEL INJECTOR)
23260INJECTOR ASSY, COLD START FUEL
23280REGULATOR ASSY, FUEL PRESSURE
23280ERING, O(FOR FUEL PRESSURE REGULATOR)
23291INSULATOR, INJECTOR VIBRATION
23293GASKET, COLD START INJECTOR
23300PFILTER, FUEL(FOR EFI)
23300TGASKET(FOR FUEL FILTER)
23300UBOLT, UNION(FOR FUEL FILTER)
23801GBOLT, UNION(FOR FUEL PIPE)
23801HGASKET(FOR FUEL PIPE)
23801PPIPE SUB-ASSY, FUEL, NO.1
NO.2
NO.1
NO.1
NO.1
NO.1
23802CBOLT, UNION(FOR FUEL PIPE NO.2)
23807PIPE SUB-ASSY, FUEL DELIVERY
23807BHOSE, FUEL DELIVERY PIPE
23807JGASKET, PIPE FUEL DELIVARY INLET
23807VSPACER, NO.1(FOR DELIVERY PIPE)
23910ATUBE SUB-ASSY, FUEL
8404ELECTRONIC FUEL INJECTION SYSTEM
2182115010SCREW, 2ND THROTTLE VALVE SET
main21821-15010
9007911002
main90079-11002
9007911023
main90079-11023
9007911024
main90079-11024
9007930007
main90079-30007
9011908857
main90119-08857
9017908153
main90179-08153
9046711009
main90467-11009
91621A0850
main91621-A0850
91621B0612
main91621-B0612
9165540625
main91655-40625
9331514010
main93315-14010
9411540500
main94115-40500
42 parts on this diagram · 3 diagrams in section