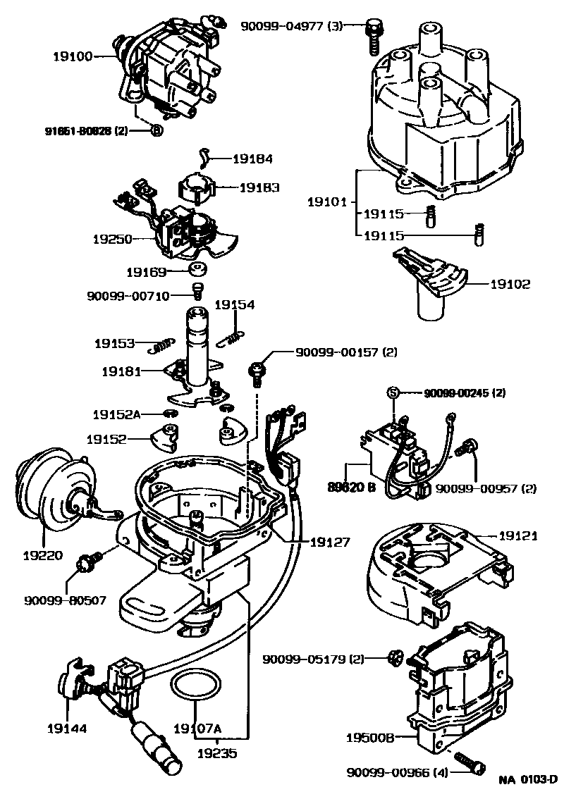
DISTRIBUTOR

19100DISTRIBUTOR ASSY
NEW ZEALAND SPEC
NEW ZEALAND SPEC
NEW ZEALAND SPEC
PHILIPPINES SPEC
19101CAP SUB-ASSY, DISTRIBUTOR
main19101-11010i2E..EE90..RHD..(LB,SED)..MTM..GEN; 2E..EE90..WG..GEN;2E..EE90..RHD..3FC; 2E..EE97..RHD198711-198908
NEW ZEALAND SPEC; SINGAPORE SPEC; SINGAPORE SPEC OR NEW ZEALAND SPEC
SINGAPORE SPEC
19102ROTOR SUB-ASSY, DISTRIBUTOR
19107ARING, O, DISTRIBUTOR HOUSING
19115PIECE, DISTRIBUTOR CAP, CENTER
main19115-63010×2i2E..EE90..RHD..(LB,SED)..MTM..GEN; 2E..EE90..SA; 2E..EE90..WG..GEN;2E..EE90..RHD..3FC; 4AF#..AE9#198705-198908
NEW ZEALAND SPEC; SINGAPORE SPEC OR NEW ZEALAND SPEC
19121COVER, DUST PROOF
NO.2
NO.1
NO.2
NO.1
NO.2
NO.1
19127PACKING, DUST PROOF
SINGAPORE SPEC
SINGAPORE SPEC; SINGAPORE SPEC OR NEW ZEALAND SPEC
NO.1
NO.2
19144LEAD, DISTRIBUTOR BREAKER
SINGAPORE SPEC
NEW ZEALAND SPEC
NEW ZEALAND SPEC
NEW ZEALAND SPEC
PHILIPPINES SPEC; SINGAPORE SPEC
19152WEIGHT, GOVERNOR
19152ARING, SNAP(FOR GOVERNOR WEIGHT)
19153SPRING, GOVERNOR, A
NEW ZEALAND SPEC; SINGAPORE SPEC OR NEW ZEALAND SPEC
NEW ZEALAND SPEC
NEW ZEALAND SPEC
NEW ZEALAND SPEC
PHILIPPINES SPEC
19154SPRING, GOVERNOR, B
SINGAPORE SPEC
NEW ZEALAND SPEC
NEW ZEALAND SPEC
PHILIPPINES SPEC
19169STOPPER, CAM GREASE
19181ROTOR, DISTRIBUTOR, SIGNAL
NEW ZEALAND SPEC
SINGAPORE SPEC
SINGAPORE SPEC
NEW ZEALAND SPEC
NEW ZEALAND SPEC
NEW ZEALAND SPEC
NEW ZEALAND SPEC
PHILIPPINES SPEC
19183ROTOR, SIGNAL
main19183-15010i2E..EE90..RHD..(LB,SED)..MTM..GEN; 2E..EE90..WG..GEN;2E..EE90..RHD..3FC; 2E..EE97..RHD198808-198908
NEW ZEALAND SPEC; SINGAPORE SPEC; SINGAPORE SPEC OR NEW ZEALAND SPEC
19184SPRING, ROTOR SET
19220ADVANCER ASSY, VACUUM, DISTRIBUTOR
NEW ZEALAND SPEC
NEW ZEALAND SPEC
NEW ZEALAND SPEC
NEW ZEALAND SPEC
19235HOUSING, DISTRIBUTOR
main19235-11080i2E..EE90..RHD..(LB,SED)..MTM..GEN; 2E..EE90..WG..GEN;2E..EE90..RHD..3FC198705-198908
NEW ZEALAND SPEC; SINGAPORE SPEC OR NEW ZEALAND SPEC
PHILIPPINES SPEC; SINGAPORE SPEC
19250GENERATOR ASSY, SIGNAL
main19251-15091i2E..EE90..RHD..(LB,SED)..MTM; 2E..EE90..WG..GEN;2E..EE90..RHD..3FC; 4AF..AE9#198705-198805
NEW ZEALAND SPEC; SINGAPORE SPEC OR NEW ZEALAND SPEC
main19251-16100i2E..EE90..RHD..(LB,SED)..MTM..GEN; 2E..EE90..WG..GEN;2E..EE90..RHD..3FC; 2E..EE97..RHD198805-198908
NEW ZEALAND SPEC; SINGAPORE SPEC; SINGAPORE SPEC OR NEW ZEALAND SPEC
19500BCOIL ASSY, IGNITION
main90919-02164i2E..EE90..RHD..(LB,SED)..MTM..GEN; 2E..EE90..WG..GEN;2E..EE90..RHD..3FC198705-198908
NEW ZEALAND SPEC; SINGAPORE SPEC OR NEW ZEALAND SPEC
89620BIGNITER ASSY
SINGAPORE SPEC; SINGAPORE SPEC OR NEW ZEALAND SPEC
9009900157
main90099-00157
9009900245
main90099-00245
9009900710
main90099-00710
9009900957
main90099-00957
9009900966
main90099-00966
9009904977
main90099-04977
9009905179
main90099-05179
9009980507
main90099-80507
91651B0828
main91651-B0828
30 parts on this diagram · 5 diagrams in section