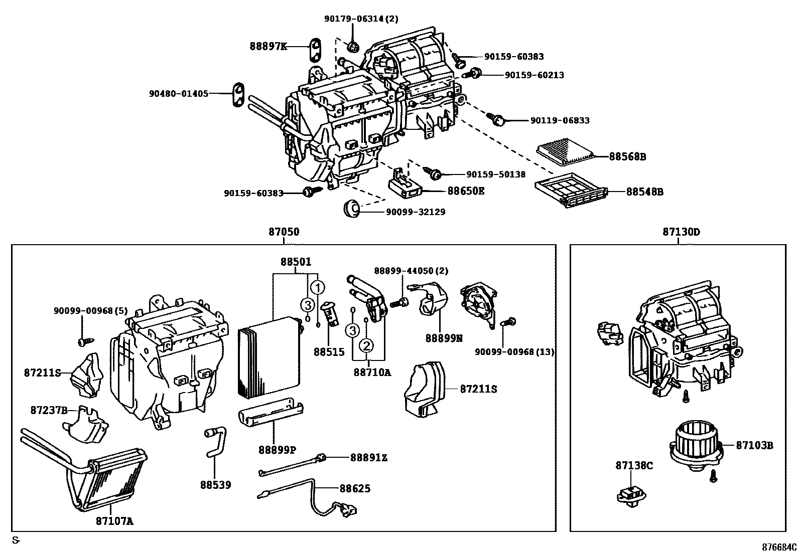
HEATING & AIR CONDITIONING - COOLER UNIT

87050RADIATOR ASSY, AIR CONDITIONER
87103BMOTOR SUB-ASSY, BLOWER W/FAN
87130DBLOWER ASSY
87138CRESISTOR, BLOWER
87211SDUCT, AIR
DRIVER SIDE
PASSENGER SIDE
88501EVAPORATOR SUB-ASSY, COOLER, NO.1
88515VALVE, COOLER EXPANSION
88539HOSE, COOLER UNIT DRAIN, NO.1
88568BFILTER, AIR
88625THERMISTOR, COOLER, NO.1
88650EAMPLIFIER ASSY, AIR CONDITIONER, NO.1
88710ATUBE ASSY, AIR CONDITIONER
88891ZBRACKET, COOLER THERMISTOR
88897KGROMMET, (FOR COOLER PIPE)
8889944050COVER, EVAPORATOR
main88899-44050
9009900968
main90099-00968
9009932129
main90099-32129
9011906833
main90119-06833
9015950138
main90159-50138
9015960213
main90159-60213
9015960383
main90159-60383
9017906314
main90179-06314
9048001405
main90480-01405
28 parts on this diagram · 5 diagrams in section