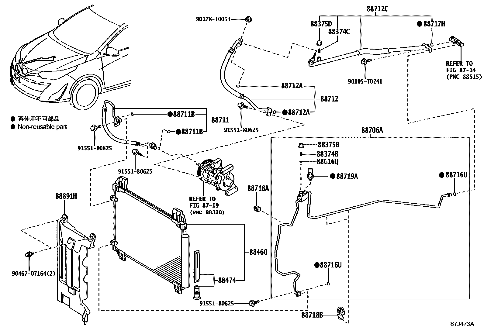
HEATING & AIR CONDITIONING - COOLER PIPING

8714
8719
88374BVALVE, SERVICE, NO.1
88374CVALVE, SERVICE, NO.2
88375BCAP, SERVICE VALVE, NO.1
88375DCAP, SERVICE VALVE, NO.2
88460CONDENSER ASSY, COOLER
88474DRYER, COOLER
88706ATUBE SUB-ASSY, LIQUID, A
88711HOSE, COOLER REFRIGERANT DISCHARGE, NO.1
88711BRING, O(FOR COOLER REFRIGERANT DISCHARGE HOSE)
88712HOSE, COOLER REFRIGERANT SUCTION, NO.1
88712ARING, O(FOR COOLER REFRIGERANT SUCTION HOSE)
88712CHOSE, SUCTION
88716URING, O(FOR COOLER REFRIGERANT LIQUID PIPE)
88717HRING, O(FOR COOLER REFRIGERANT SUCTION PIPE)
88718ACLAMP, NO.1(FOR COOLER REFRIGERANT PIPE)
88718BCLAMP, NO.2(FOR COOLER REFRIGERANT PIPE)
88719ASENSOR, AIR CONDITIONER PRESSURE
88891HCOVER, COOLER, NO.1
88G16QRING, O, NO.1(FOR LIQUID TUBE)
ID=10.6,OD=14.16
90105T0241
main90105-T0241
90178T0053
main90178-T0053
9046707164
main90467-07164
9155180625
main91551-80625
25 parts on this diagram · 1 diagram in section