E
EPC Data

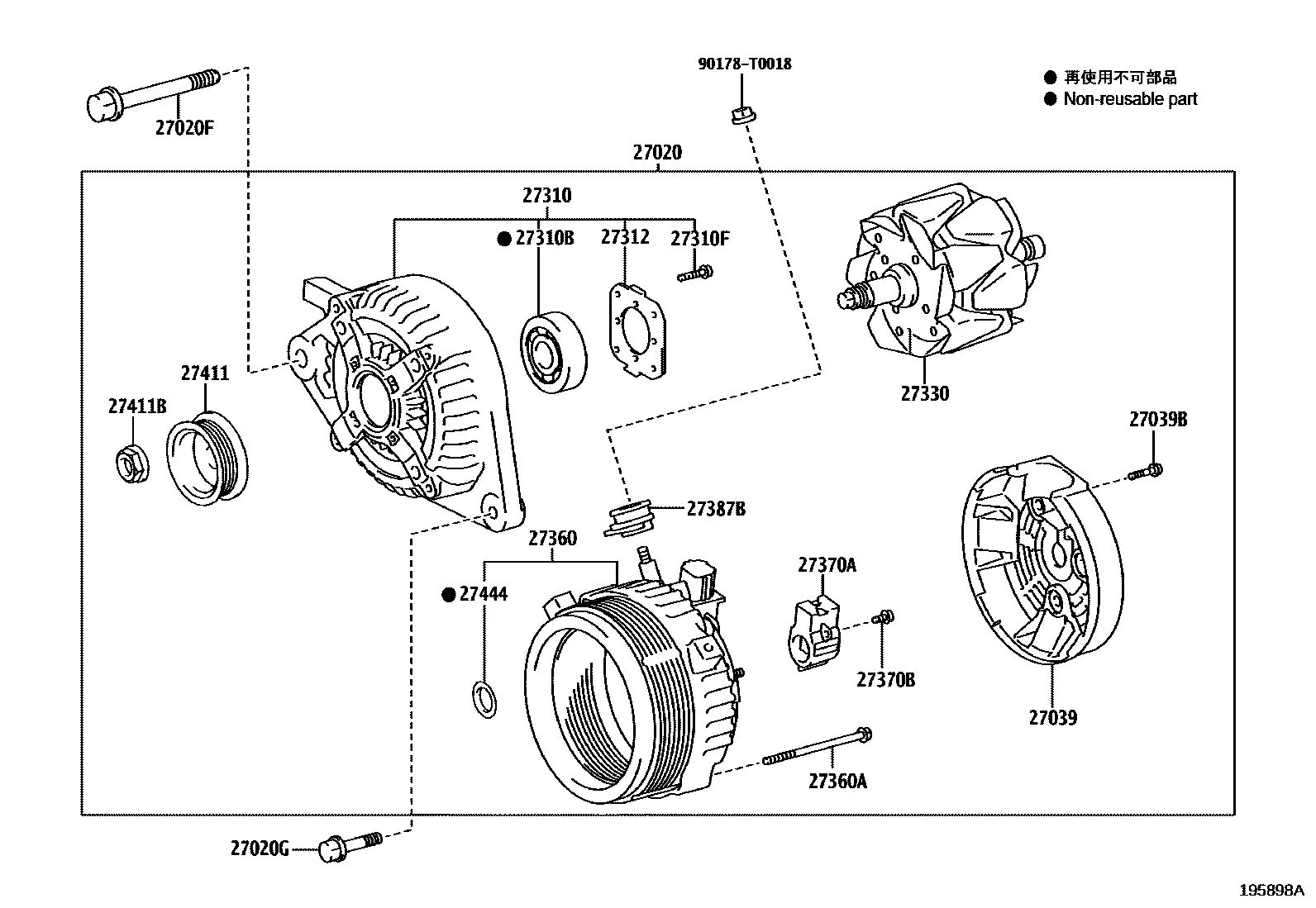
ALTERNATOR

Parts diagram
27020ALTERNATOR ASSY
main27060-0Y320i202012
12V 80A
27020FBOLT, NO.1(FOR ALTERNATOR)
main90105-T0172i202012
27020GBOLT, NO.2(FOR ALTERNATOR)
main90105-T0130i202012
27039COVER, ALTERNATOR REAR END
main27039-0M100i202012
27039BBOLT(FOR ALTERNATOR REAR END COVER)
main90099-04628i202012
27310FRAME ASSY, DRIVE END, ALTERNATOR
main27310-0Y180i202304
main27310-0Y300i202012-202304
27310BBEARING(FOR ALTERNATOR DRIVE END FRAME)
main90068-10029i202304
main90068-10040i202012-202304
27310FSCREW(FOR ALTERNATOR DRIVE END FRAME)
main90099-00268i202012
27312PLATE, RETAINER
main27312-0C020i202012
27330ROTOR ASSY, ALTERNATOR
main27330-0M100i202012
27360COIL ASSY, ALTERNATOR
main27360-0Y280i202012
27360ABOLT(FOR ALTERNATOR COIL)
main90099-04626i202012
27370AHOLDER ASSY, ALTERNATOR BRUSH
main27370-31220i202012
27370BSCREW(FOR ALTERNATOR BRUSH HOLDER)
main90099-00197i202012
27387BINSULATOR, ALTERNATOR TERMINAL
main27387-0C020i202012
27411PULLEY, ALTERNATOR
main27411-0D200i202012
27411BNUT(FOR ALTERNATOR PULLEY)
main90099-05171i202012
27444PACKING, ALTERNATOR BEARING COVER
main27444-0Y180i202012
90178T0018

19 parts on this diagram · 1 diagram in section

ALTERNATOR — Toyota Parts Diagram with OEM Numbers & Prices | EPC Data