E
EPC Data

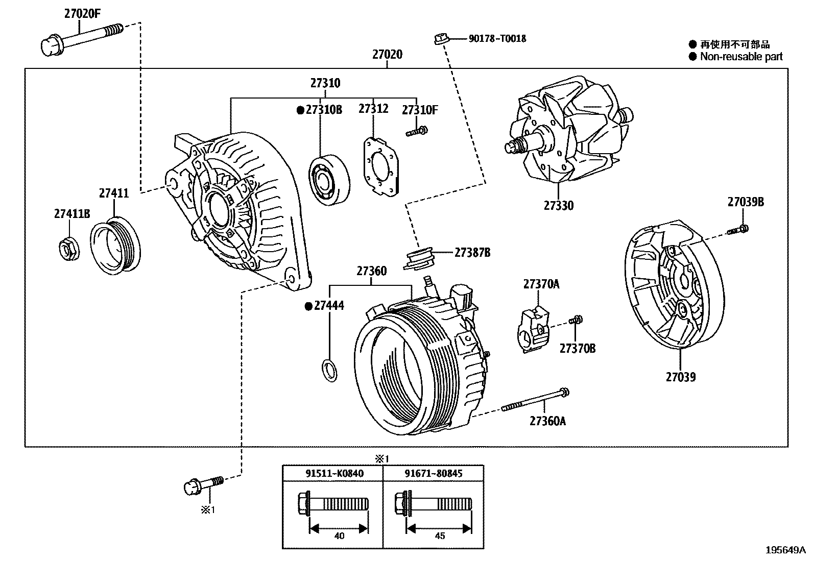
ALTERNATOR

Parts diagram
27020ALTERNATOR ASSY
main27060-0Y340i201908
12V 80A
27020FBOLT, NO.1(FOR ALTERNATOR)
main90105-10075i201908
27039COVER, ALTERNATOR REAR END
main27039-0M100i201908
27039BBOLT(FOR ALTERNATOR REAR END COVER)
main90068-04047×3i201908
27310FRAME ASSY, DRIVE END, ALTERNATOR
main27310-0Y320i201908
27310BBEARING(FOR ALTERNATOR DRIVE END FRAME)
main90068-10047i201908
27310FSCREW(FOR ALTERNATOR DRIVE END FRAME)
main90068-00022×4i201908
27312PLATE, RETAINER
main27312-0Y100i201908
27330ROTOR ASSY, ALTERNATOR
main27330-0T290i201908
27360COIL ASSY, ALTERNATOR
main27360-0Y320i201908
27360ABOLT(FOR ALTERNATOR COIL)
main90068-04033×4i201908
27370AHOLDER ASSY, ALTERNATOR BRUSH
main27370-0Y100i201908
27370BSCREW(FOR ALTERNATOR BRUSH HOLDER)
main90068-00023×2i201908
27387BINSULATOR, ALTERNATOR TERMINAL
main27387-0H110i201908
27411PULLEY, ALTERNATOR
main27411-0D220i201908
27411BNUT(FOR ALTERNATOR PULLEY)
main90068-05009i201908
27444PACKING, ALTERNATOR BEARING COVER
main27444-0Y180i201908
90178T0018
91511K0840
9167180845

20 parts on this diagram · 1 diagram in section

ALTERNATOR — Toyota Parts Diagram with OEM Numbers & Prices | EPC Data