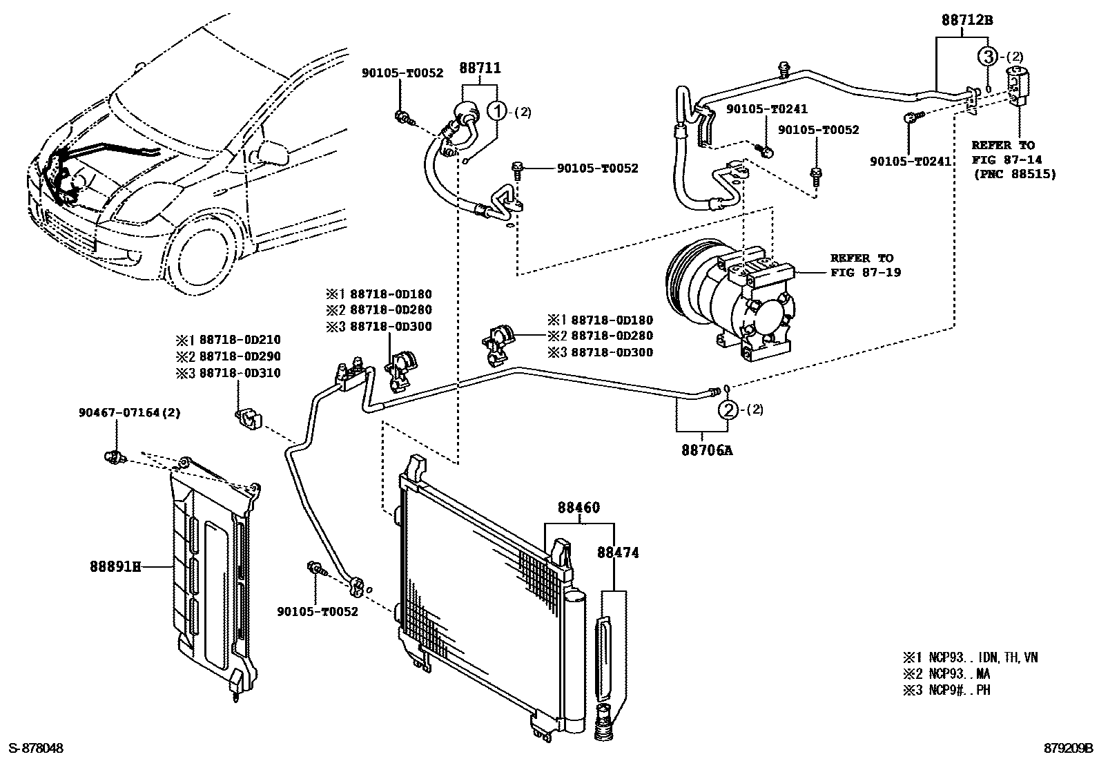
HEATING & AIR CONDITIONING - COOLER PIPING

8714HEATING & AIR CONDITIONING - COOLER UNIT
8719HEATING & AIR CONDITIONING - COMPRESSOR
88460CONDENSER ASSY, COOLER
88474DRYER, COOLER
SINGAPORE & BRUNEI SPEC; SINGAPORE & BRUNEI SPEC&FRONT AIR CONDITIONER-DEALER KIT
88706ATUBE SUB-ASSY, LIQUID, A
SINGAPORE & BRUNEI SPEC&FRONT AIR CONDITIONER-DEALER KIT
88711HOSE, COOLER REFRIGERANT DISCHARGE, NO.1
SINGAPORE & BRUNEI SPEC&FRONT AIR CONDITIONER-DEALER KIT
88712BHOSE, COOLER REFRIGERANT SUCTION
SINGAPORE & BRUNEI SPEC&FRONT AIR CONDITIONER-DEALER KIT
88891HCOVER, COOLER, NO.1
887180D180PIPE, COOLER REFRIGERANT SUCTION, NO.2
main88718-0D180
887180D210PIPE, COOLER REFRIGERANT SUCTION, NO.2
main88718-0D210
887180D280PIPE, COOLER REFRIGERANT SUCTION, NO.2
main88718-0D280
887180D290PIPE, COOLER REFRIGERANT SUCTION, NO.2
main88718-0D290
887180D300PIPE, COOLER REFRIGERANT SUCTION, NO.2
main88718-0D300
887180D310PIPE, COOLER REFRIGERANT SUCTION, NO.2
main88718-0D310
90105T0052
main90105-T0052
90105T0241
main90105-T0241
9046707164
main90467-07164
17 parts on this diagram · 4 diagrams in section