E
EPC Data

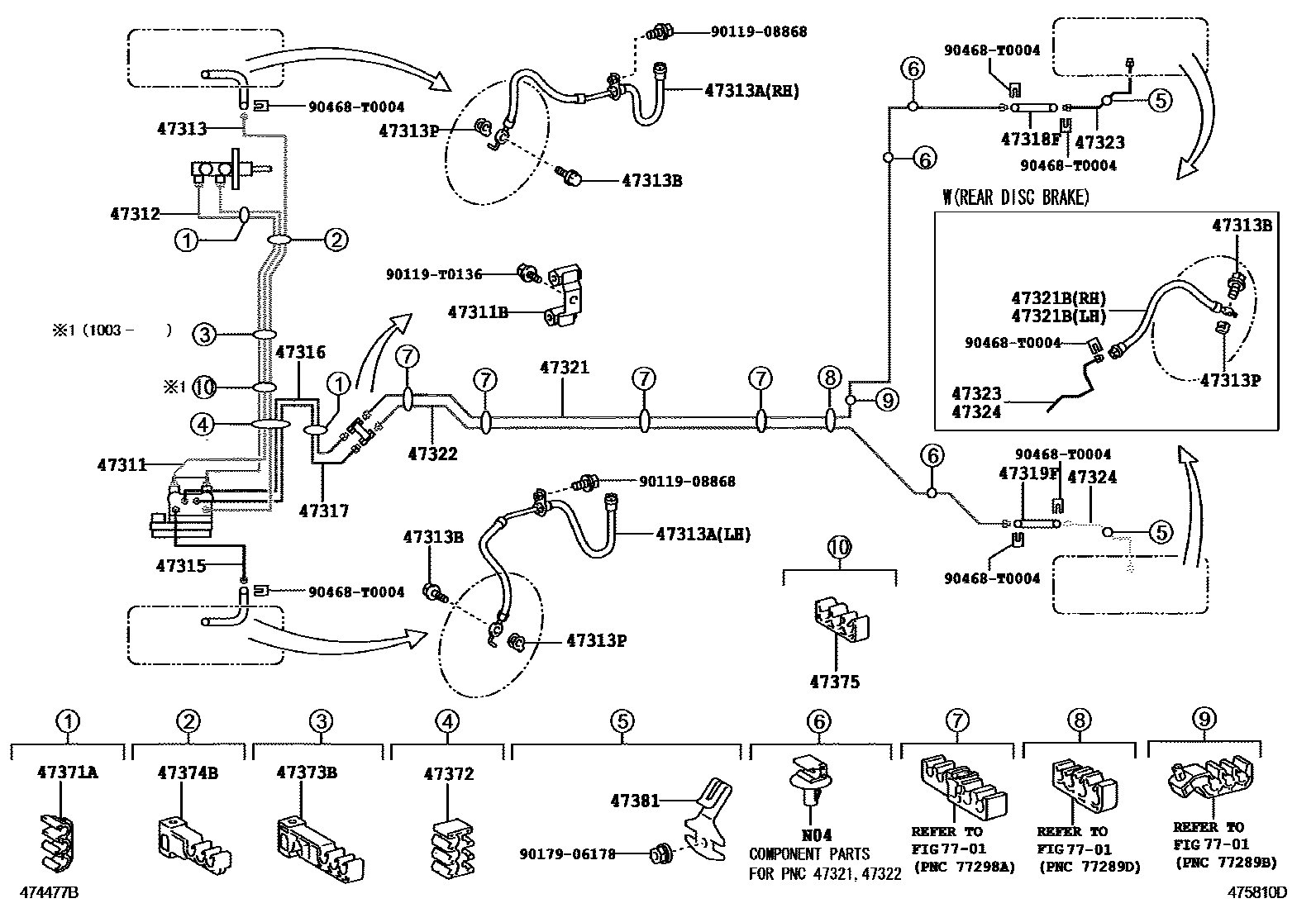
BRAKE TUBE & CLAMP

Parts diagram
47311TUBE, FRONT BRAKE, NO.1
main47311-0D240i200709-200910
main47311-0D250i200702-200805
main47311-0D260i200710-200910
main47311-0D270i200708-200910
main47311-0D280i200708-201004
main47311-0D360i201003-201304
J-ECO PACKAGE
main47311-0D370i201003-201304
SINGAPORE & BRUNEI SPEC
main47311-0D410i201004-201403
main47311-0D420i201004-201310
main47311-0D430i201004-201307
main47311-52260i201004-201403
47311BWAY, NO.1(FOR FRONT BRAKE TUBE)
main90412-10260i201003-201403
47312TUBE, FRONT BRAKE, NO.2
main47312-0D210i200709-200910
main47312-0D220i200702-200909
main47312-0D230i200710-200910
main47312-0D240i200708-200910
main47312-0D250i200708-201004
main47312-0D300i200805-201003
J-ECO PACKAGE
main47312-0D310i201003-201304
SINGAPORE & BRUNEI SPEC
main47312-0D350i201004-201403
main47312-0D360i201004-201310
main47312-0D370i201004-201307
main47312-52240i200709-201004
47313TUBE, FRONT BRAKE, NO.3
main47313-0D100i200702-200805
main47313-0D130i200709-200910
main47313-0D140i200710-200910
main47313-0D150i200708-200910
main47313-0D160i200708-201004
main47313-0D210i200805-201003
J-ECO PACKAGE
main47313-0D240i201003-201304
SINGAPORE & BRUNEI SPEC
main47313-0D280i201004-201403
main47313-0D290i201004-201310
main47313-0D300i201004-201307
main47313-52150i200709-201004
47313AHOSE, FLEXIBLE, NO.1(FOR FRONT)
main90947-T2034i200702-201004
RH
main90947-T2035i200702-201004
LH
main90947-T2052i201004-201307
RH
main90947-T2053i201004-201307
LH
47313BBOLT, UNION(FOR FRONT FLEXIBLE HOSE)
main90401-10058×2i200702-201003
SINGAPORE & BRUNEI SPEC
47313PGASKET(FOR FRONT FLEXIBLE HOSE)
main47389-50020×2i200702-200806
SINGAPORE & BRUNEI SPEC
main47389-50021×2i200807-201003
SINGAPORE & BRUNEI SPEC
47315TUBE, FRONT BRAKE, NO.5
main47315-0D160i200702-200910
main47315-0D190i200709-200910
main47315-0D200i200710-200910
main47315-0D210i200708-200910
main47315-0D220i201004-201307
main47315-0D270i201003-201304
J-ECO PACKAGE
main47315-0D280i201003-201304
SINGAPORE & BRUNEI SPEC
main47315-0D320i201004-201403
main47315-0D330i201004-201310
main47315-0D340i201004-201307
main47315-52180i200709-201004
47316TUBE, FRONT BRAKE, NO.6
main47316-0D110i200702-200909
main47316-0D140i200709-200910
main47316-0D150i200710-200910
main47316-0D160i200708-200910
main47316-0D170i201004-201307
main47316-0D200i200805-201003
J-ECO PACKAGE
main47316-0D210i201003-201304
SINGAPORE & BRUNEI SPEC
main47316-0D240i201004-201403
main47316-0D250i201004-201310
main47316-0D260i201004-201307
main47316-52140i201004-201403
47317TUBE, FRONT BRAKE, NO.7
main47317-0D110i200702-200910
main47317-0D140i200709-200910
main47317-0D150i200710-200910
main47317-0D160i200708-200910
main47317-0D170i200708-201004
main47317-0D200i200805-201003
J-ECO PACKAGE
main47317-0D210i201003-201304
SINGAPORE & BRUNEI SPEC
main47317-0D240i201004-201403
main47317-0D250i201004-201310
main47317-0D260i201004-201307
main47317-52140i200709-201004
47318FHOSE, FLEXIBLE(FOR REAR RH)
main90947-T2031i201003-201403
main90947-T2054i201004-201307
47319FHOSE, FLEXIBLE(FOR REAR LH)
main90947-T2032i201003-201403
main90947-T2055i201004-201307
47321TUBE, REAR BRAKE, NO.1
main47321-0D170i201003-201403
main47321-0D180i200710-201004
main47321-0D190i201004-201307
47321BHOSE, FLEXIBLE(FOR REAR BRAKE TUBE)
main90947-T2033×2i200702-201003
SINGAPORE & BRUNEI SPEC
main90947-T2056×2i201004-201307
47322TUBE, REAR BRAKE, NO.2
main47322-0D170i201003-201403
main47322-0D180i201004-201310
main47322-0D190i200708-201004
47323TUBE, REAR BRAKE, NO.3
main47323-0D070i200702-201003
main47323-0D080i200702-201003
SINGAPORE & BRUNEI SPEC
main47323-0D110i200710-201004
main47323-0D120i201004-201310
main47323-0D130i200708-201004
main47323-0D140i201004-201307
47324TUBE, REAR BRAKE, NO.4
main47324-0D070i200702-201003
main47324-0D080i200702-201004
main47324-0D110i200710-201004
main47324-0D120i200710-201004
main47324-0D130i201004-201307
main47324-0D140i201004-201307
47371ACLAMP, BRAKE TUBE, NO.1
main90464-00868×2i200702-201003
47372CLAMP, BRAKE TUBE, NO.2
main90949-01969i200702-201003
47373BCLAMP, BRAKE TUBE, NO.3
main90949-01D27i200702-201003
47374BCLAMP, BRAKE TUBE, NO.4
main90949-01D02i201003-201310
47375CLAMP, BRAKE TUBE, NO.5
main90464-00857i201003-201310
main90464-00883×2i200805-201003
J-ECO PACKAGE
47381BRACKET, BRAKE TUBE CLAMP NO.1
main47381-52020×2i200702-201003
7701FUEL TANK & TUBE
9011908868
90119T0136
9017906178
90468T0004

28 parts on this diagram · 6 diagrams in section

BRAKE TUBE & CLAMP — Toyota Parts Diagram with OEM Numbers & Prices | EPC Data