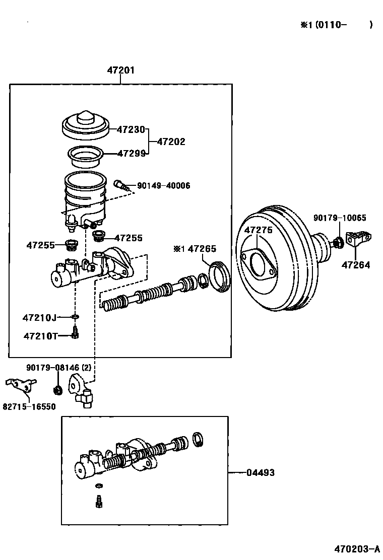
BRAKE MASTER CYLINDER

04493CYLINDER KIT, BRAKE MASTER
47201CYLINDER SUB-ASSY, BRAKE MASTER
47202RESERVOIR SUB-ASSY, BRAKE MASTER CYLINDER
47210JGASKET(FOR MASTER CYLINDER)
47210TBOLT(FOR BRAKE MASTER CYLINDER)
47230CAP ASSY, BRAKE MASTER CYLINDER RESERVOIR FILLER
47255GROMMET, MASTER CYLINDER RESERVOIR
47265BOOT, MASTER CYLINDER
47275GASKET, BRAKE MASTER CYLINDER
47299STRAINER, BRAKE MASTER CYLINDER RESERVOIR
8271516550BRACKET,WIRING HARNESS CLAMP
main82715-16550
9014940006
main90149-40006
9017908146
main90179-08146
9017910065
main90179-10065
15 parts on this diagram · 1 diagram in section