HEATING & AIR CONDITIONING - COOLER PIPING

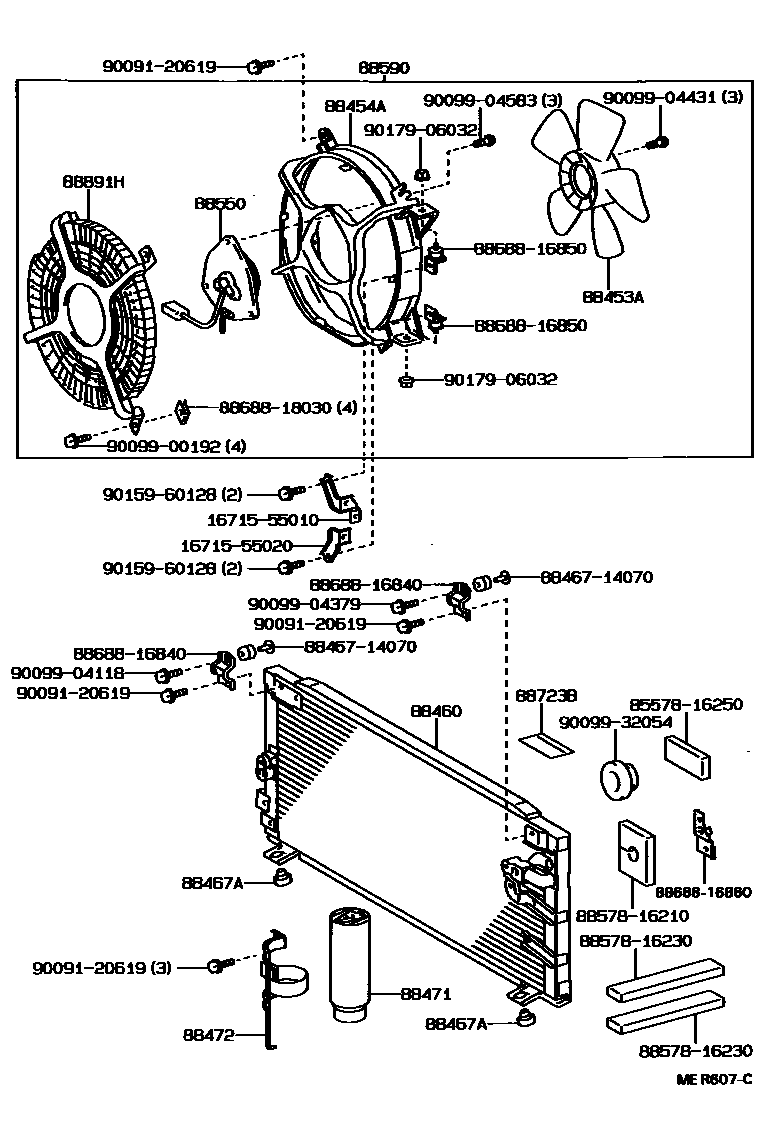
88453AFAN, COOLING
88460CONDENSER ASSY, COOLER
88467ACUSHION, COOLER CONDENSER, NO.2
88471TANK, RECEIVER AIR CONDITIONER
88472BRACKET, RECEIVER TANK, NO.1
88550MOTOR ASSY, BLOWER (FOR CONDENSER)
88723BLABEL, COOLER SERVICE CAUTION
88891HCOVER, COOLER, NO.1
1671555010BRACKET, FAN SHROUD
main16715-55010
1671555020BRACKET, FAN SHROUD
main16715-55020
8557816250BRACKET, AUTO CURTAIN RAIL, NO.4 LH
main85578-16250
8846714070CUSHION, COOLER CONDENSER, NO.1
main88467-14070
8857816210PAKING, COOLER AIR DUCT
main88578-16210
8857816230PAKING, COOLER AIR DUCT
main88578-16230
8868816840BRACKET, COOLER DIAPHRAGM
main88688-16840
8868816850BRACKET, COOLER DIAPHRAGM
main88688-16850
8868816860BRACKET, COOLER DIAPHRAGM
main88688-16860
8868818030BRACKET, COOLER DIAPHRAGM
main88688-18030
9009120619
main90091-20619
9009900192
main90099-00192
9009904118
main90099-04118
9009904379
main90099-04379
9009904431
main90099-04431
9009904583
main90099-04583
9009932054
main90099-32054
9015960128
main90159-60128
9017906032
main90179-06032
29 parts on this diagram · 4 diagrams in section