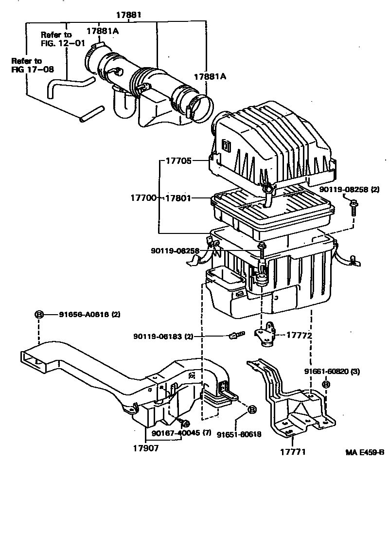
AIR CLEANER

1201VENTILATION HOSE
1708VACUUM PIPING
17700CLEANER ASSY, AIR
17705CAP SUB-ASSY, AIR CLEANER
17771BRACKET, AIR CLEANER INLET DUCT
17772BRACKET, INTAKE AIR CONNECTOR, NO.2
17801ELEMENT SUB-ASSY, AIR CLEANER FILTER
17881HOSE, AIR CLEANER, NO.1
17881ACLAMP(FOR AIR CLEANER HOSE, NO.1)
17907INLET SUB-ASSY, COOL AIR
9011906183
main90119-06183
9011908258
main90119-08258
9016740045
main90167-40045
9165160618
main91651-60618
91656A0616
main91656-A0616
9166160820
main91661-60820
16 parts on this diagram · 1 diagram in section