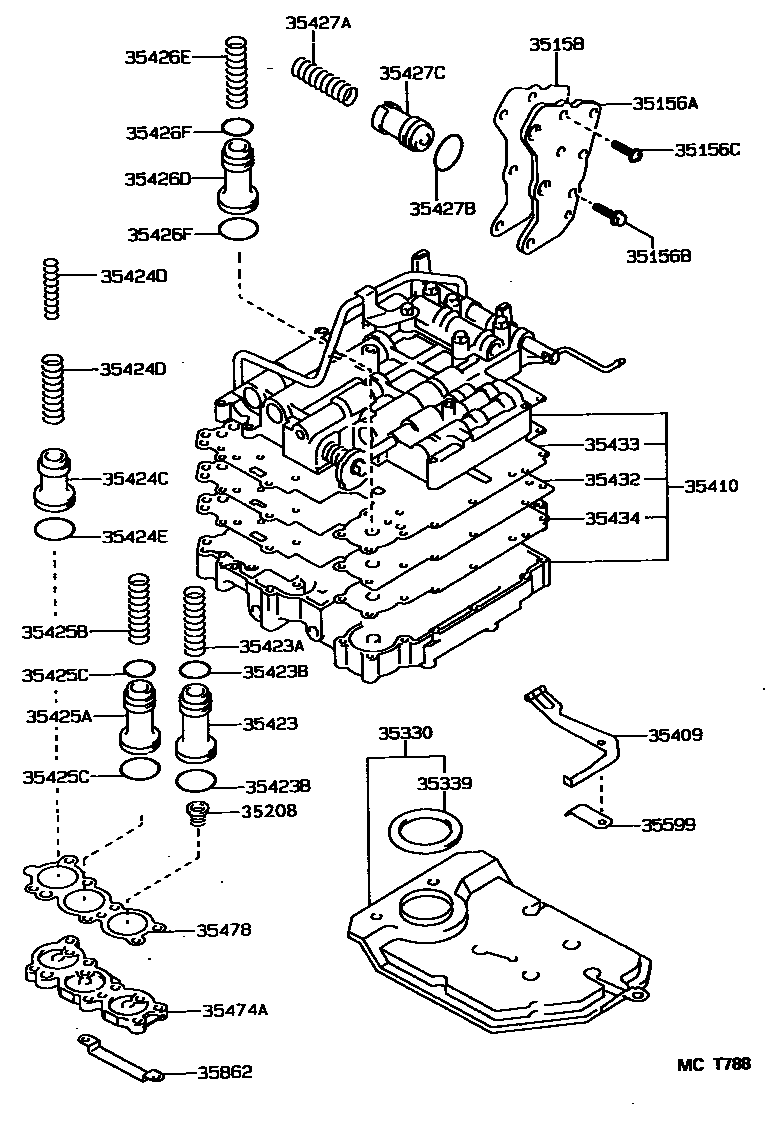
VALVE BODY & OIL STRAINER (ATM)

35156APLATE, TRANSMISSION CASE, NO.2
35156BBOLT(FOR TRANSMISSION CASE NO.2 PLATE)
35156CSCREW(FOR TRANSMISSION CASE NO.2 PLATE)
35158GASKET, TRANSMISSION CASE, NO.2 PLATE
35208SPRING SUB-ASSY, B-2 ACCUMULATOR
35330STRAINER ASSY, VALVE BODY OIL
35339GASKET, OIL STRAINER
35409SPRING SUB-ASSY, MANUAL DETENT
35410BODY ASSY, TRANSMISSION VALVE
35423PISTON, B-2 ACCUMULATOR
35423ASPRING, COMPRESSION (FOR B-2 ACCUMULATOR PISTON)
35423BRING, O (FOR B-2 ACCUMULATOR PISTON)
UPPER
LOWER
35424CPISTON, C-1 ACCUMULATOR
35424DSPRING, COMPRESSION (FOR C-1 ACCUMULATOR PISTON)
INNER
OUTER
35424ERING, O (FOR C-1 ACCUMULATOR PISTON)
35425APISTON, C-2 ACCUMULATOR
35425BSPRING, COMPRESSION (FOR C-2 ACCUMULATOR PISTON)
35425CRING, O (FOR C-2 ACCUMULATOR PISTON)
UPPER
LOWER
35426DPISTON, C-3 ACCUMULATOR
35426ESPRING, COMPRESSION (FOR C-3 ACCUMULATOR PISTON)
35426FRING, O (FOR C-3 ACCUMULATOR PISTON)
UPPER
LOWER
35427ASPRING, COMPRESSION (FOR B-4 ACCUMULATOR PISTON)
35427BRING, O (FOR B-4 ACCUMULATOR PISTON)
35427CPISTON, B-4 ACCUMULATOR
35432PLATE, VALVE BODY, NO.1
35474ACOVER, ACCUMULATOR
35478GASKET, ACCUMULATOR COVER
35599COVER, MANUAL DETENT SPRING
35862BRACKET, ACCUMULATOR APPLY TUBE
31 parts on this diagram · 5 diagrams in section