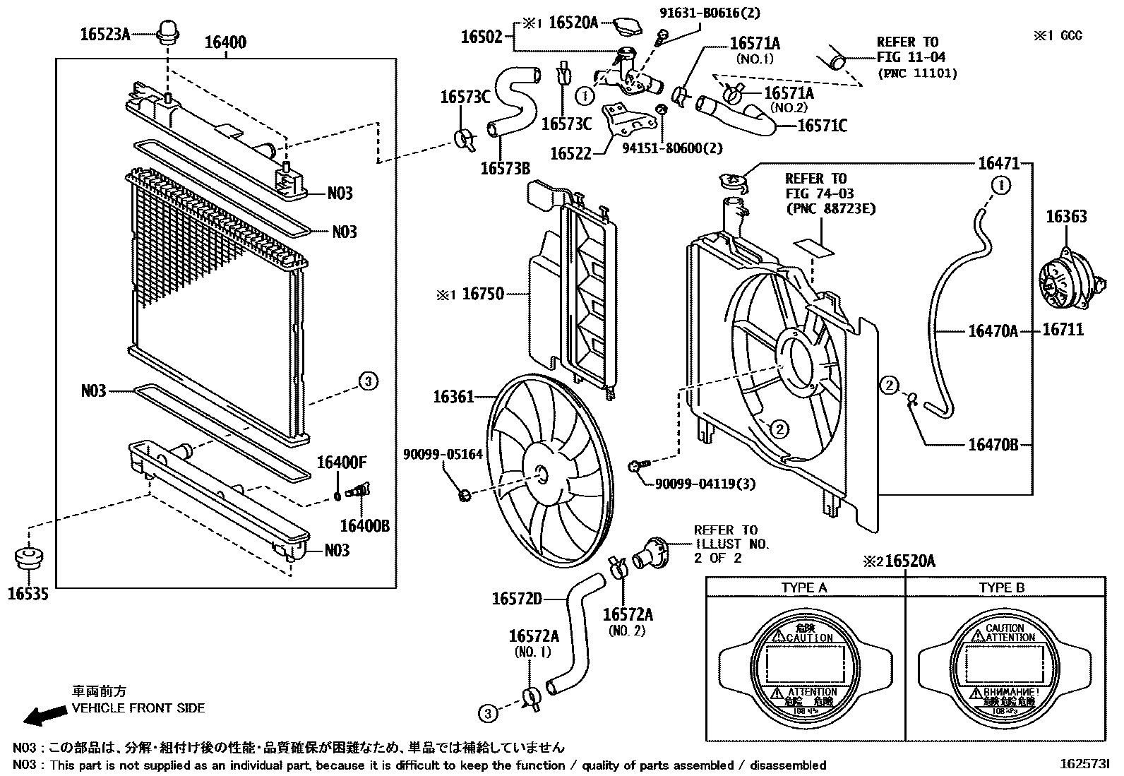
RADIATOR & WATER OUTLET

1104
16361FAN
16363MOTOR, COOLING FAN
16400BPLUG, RADIATOR DRAIN COCK
16400FPACKING(FOR RADIATOR DRAIN COCK)
16470AHOSE OR PIPE(FOR RADIATOR RESERVE TANK)
16470BCLAMP OR CLIP(FOR RADIATOR RESERVE TANK HOSE)
16471CAP SUB-ASSY, RESERVE TANK
16522BRACKET, WATER FILLER
16523ACUSHION, RADIATOR SUPPORT
16535SUPPORT, RADIATOR, LOWER
16571ACLAMP OR CLIP, HOSE(FOR RADIATOR INLET)
NO.1
NO.2
NO.1
16571CHOSE, RADIATOR, NO.1
16572ACLAMP OR CLIP, HOSE(FOR RADIATOR OUTLET NO.1)
NO.2
NO.1
16572DHOSE, RADIATOR, NO.2
16573BHOSE, RADIATOR, NO.3
16573CCLAMP OR CLIP, RADIATOR HOSE, NO.3
16711SHROUD, FAN
16750DUCT ASSY, FAN SHROUD VENTILATION
7403
9009904119
main90099-04119
9009905164
main90099-05164
91631B0616
main91631-B0616
9415180600
main94151-80600
27 parts on this diagram · 2 diagrams in section