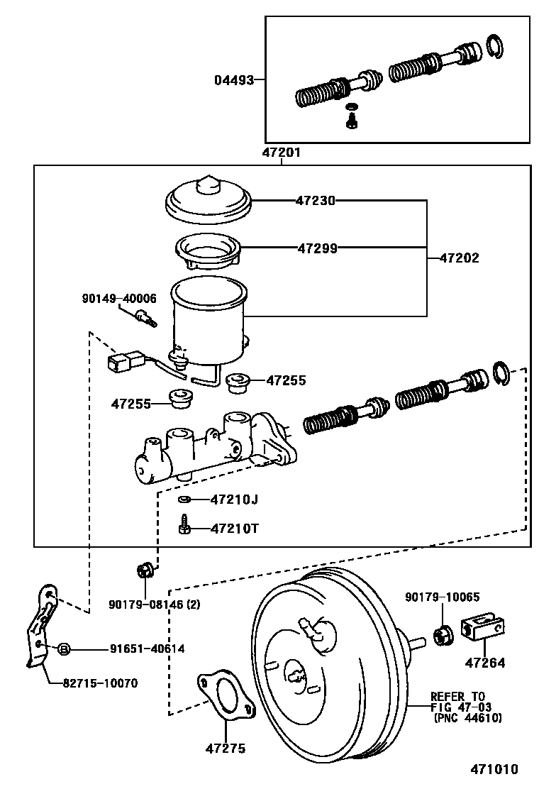
BRAKE MASTER CYLINDER

04493CYLINDER KIT, BRAKE MASTER
W(ABS)
4703
47201CYLINDER SUB-ASSY, BRAKE MASTER
W(ABS)
47202RESERVOIR SUB-ASSY, BRAKE MASTER CYLINDER
W(ABS)
47210JGASKET(FOR MASTER CYLINDER)
W(ABS)
47210TBOLT(FOR BRAKE MASTER CYLINDER)
W(ABS)
47255GROMMET, MASTER CYLINDER RESERVOIR
W(ABS)
47264CLEVIS, MASTER CYLINDER PUSH ROD
47275GASKET, BRAKE MASTER CYLINDER
47299STRAINER, BRAKE MASTER CYLINDER RESERVOIR
W(ABS)
8271510070BRACKET,WIRING HARNESS CLAMP
main82715-10070
9014940006
main90149-40006
9017908146
main90179-08146
9017910065
main90179-10065
9165140614
main91651-40614
16 parts on this diagram · 2 diagrams in section