E
EPC Data

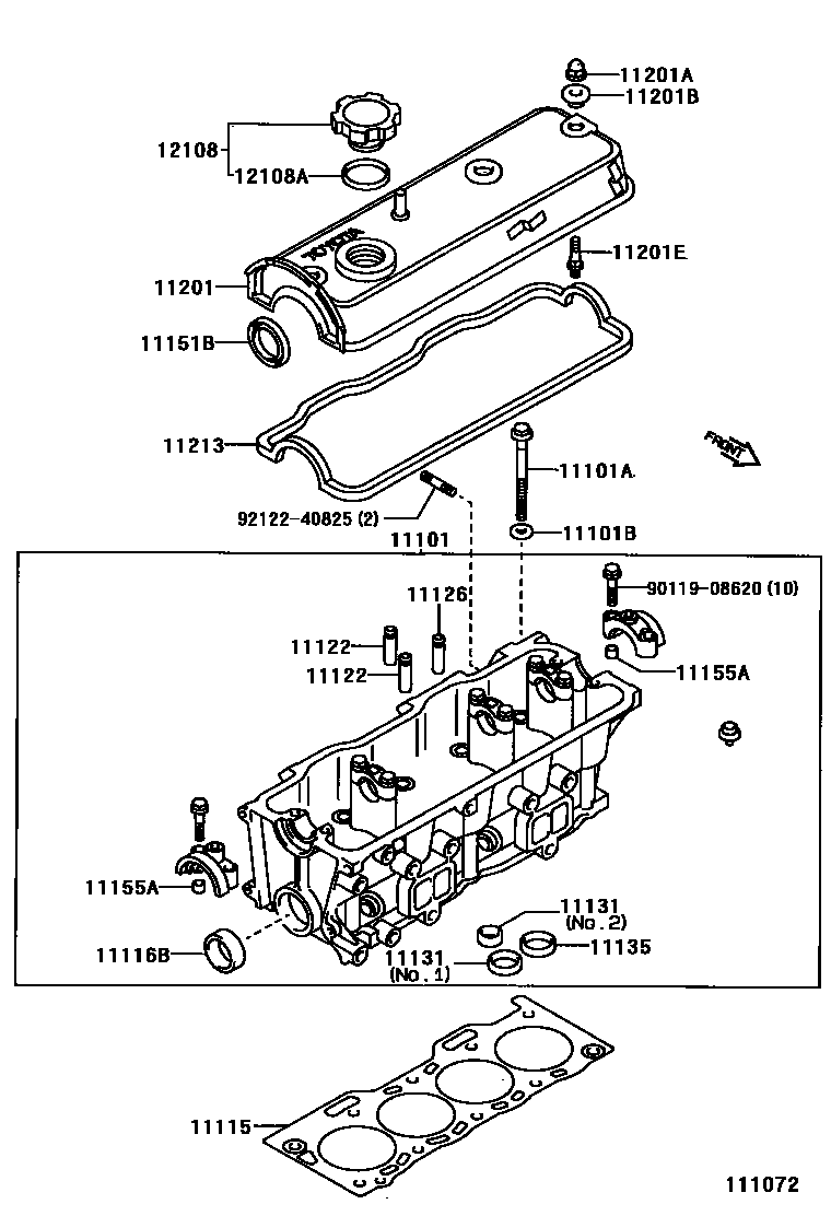
CYLINDER HEAD

Parts diagram
11101HEAD SUB-ASSY, CYLINDER
main11101-19156i199409
main11101-19435i199409-199508
main11101-19445i199508-199608
main11101-19446i199608
11101ABOLT(FOR CYLINDER HEAD SET)
main90105-09002i199409
main90910-02100i199409
INTAKE SIDE
main90910-02101i199409
EXHAUST SIDE
11101BWASHER, PLATE(FOR CYLINDER HEAD SET)
main90201-09015i199409
main90201-09024i199409
11115GASKET, CYLINDER HEAD
main11115-11010i199409
T=1.25
main11115-11070i199409-199508
main11115-11090i199508
11116BPLUG, TIGHT, NO.2
main96411-44000i199409
11122BUSH, INTAKE VALVE GUIDE
main11122-10040i199409
STD
main11122-15030i199409
STD
main11123-10040i199409
O/S 0.05
main11123-15030i199409
O/S 0.05
11126BUSH, EXHAUST VALVE GUIDE
main11122-10040i199409
STD
main11123-10040i199409
O/S 0.05
11131SEAT, INTAKE VALVE
main11131-11010i199409
STD,NO.1
main11131-11020i199409
STD
main11132-11010i199409
O/S 0.03,NO.1
main11132-11020i199409
O/S 0.03
main11137-10010i199409
STD,NO.2
main11138-10010i199409
O/S 0.03,NO.2
11135SEAT, EXHAUST VALVE
main11135-11010i199409
STD
main11135-11020i199409
STD
main11136-11010i199409
O/S 0.03
main11136-11020i199409
O/S 0.03
11151BSEAL, OIL(FOR CAMSHAFT SETTING)
main90311-35013i199409-199505
main90311-35035i199505
11155APIN, RING W/HEAD
main90253-08003i199409-199508
main90253-11021i199409
11201COVER SUB-ASSY, CYLINDER HEAD
main11201-10010i199409
main11201-11030i199409-199508
main11201-11070i199508-199608
main11201-11071i199608
11201ANUT, CAP(FOR CYLINDER HEAD COVER)
main90176-06028i199409
main90176-08007i199409
11201BWASHER, SEAL(FOR CYLINDER HEAD COVER)
main90210-06008i199409-199701
main90210-06013i199701
main90210-09019i199409
11201EBOLT, STUD(FOR CYLINDER HEAD COVER SET)
main90116-08190i199409
11213GASKET, CYLINDER HEAD COVER
main11213-10011i199409
main11213-11041i199409-199508
main11213-11060i199508
12108CAP SUB-ASSY, OIL FILLER
main12180-15011i199508-199608
main12180-22010i199712
main12180-55010i199409-199508
main12180-73011i199409
main12180-75021i199608-199712
12108AGASKET(FOR OIL FILLER CAP)
main12195-71020i199409
main90430-37140i199409
9011908620
9212240825

20 parts on this diagram · 3 diagrams in section