HEATING & AIR CONDITIONING - HEATER UNIT & BLOWER

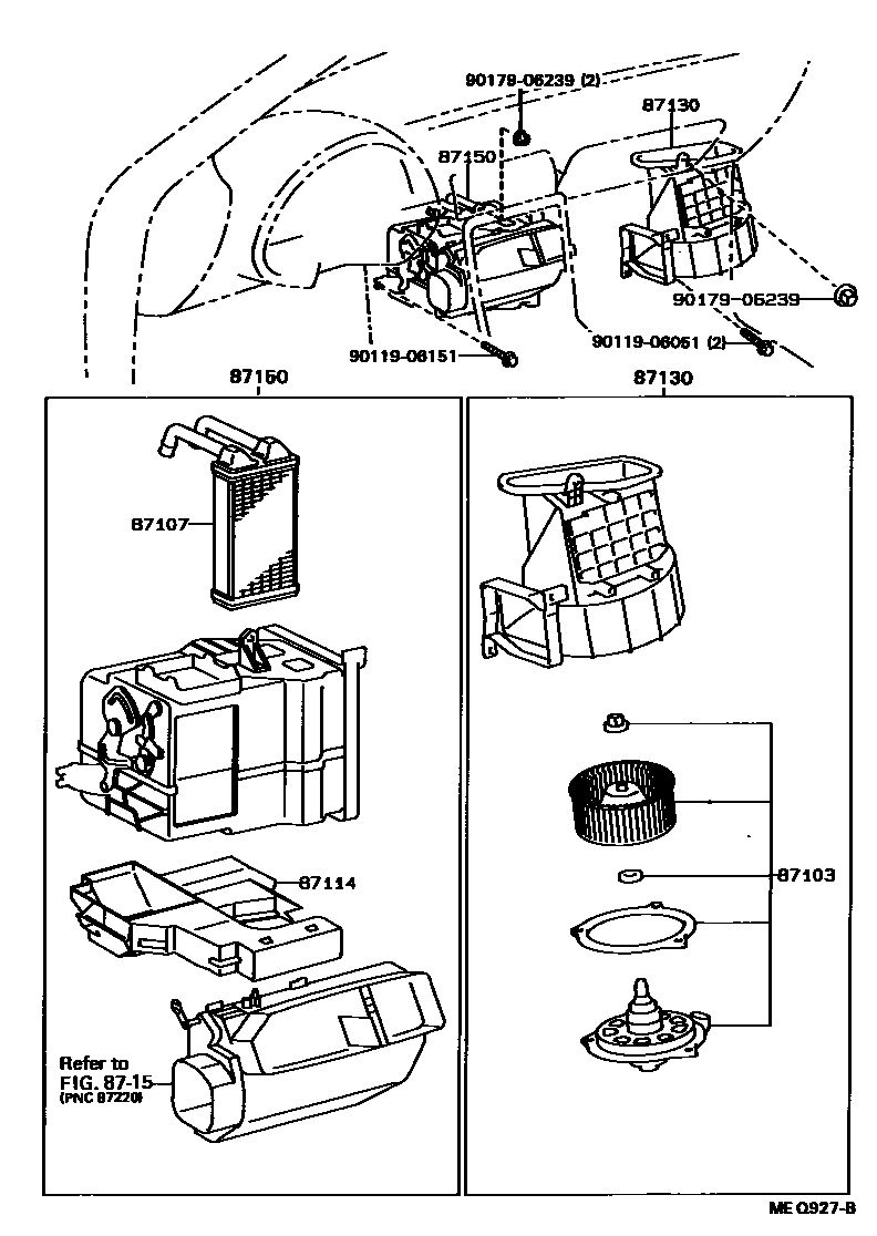
87103MOTOR SUB-ASSY, HEATER BLOWER, W/FAN
87107UNIT SUB-ASSY, HEATER RADIATOR
87130BLOWER ASSY, HEATER, FRONT
8715HEATING & AIR CONDITIONING - CONTROL & AIR DUCT
87150RADIATOR ASSY, HEATER
9011906051
main90119-06051
9011906151
main90119-06151
9017906239
main90179-06239
9 parts on this diagram · 2 diagrams in section