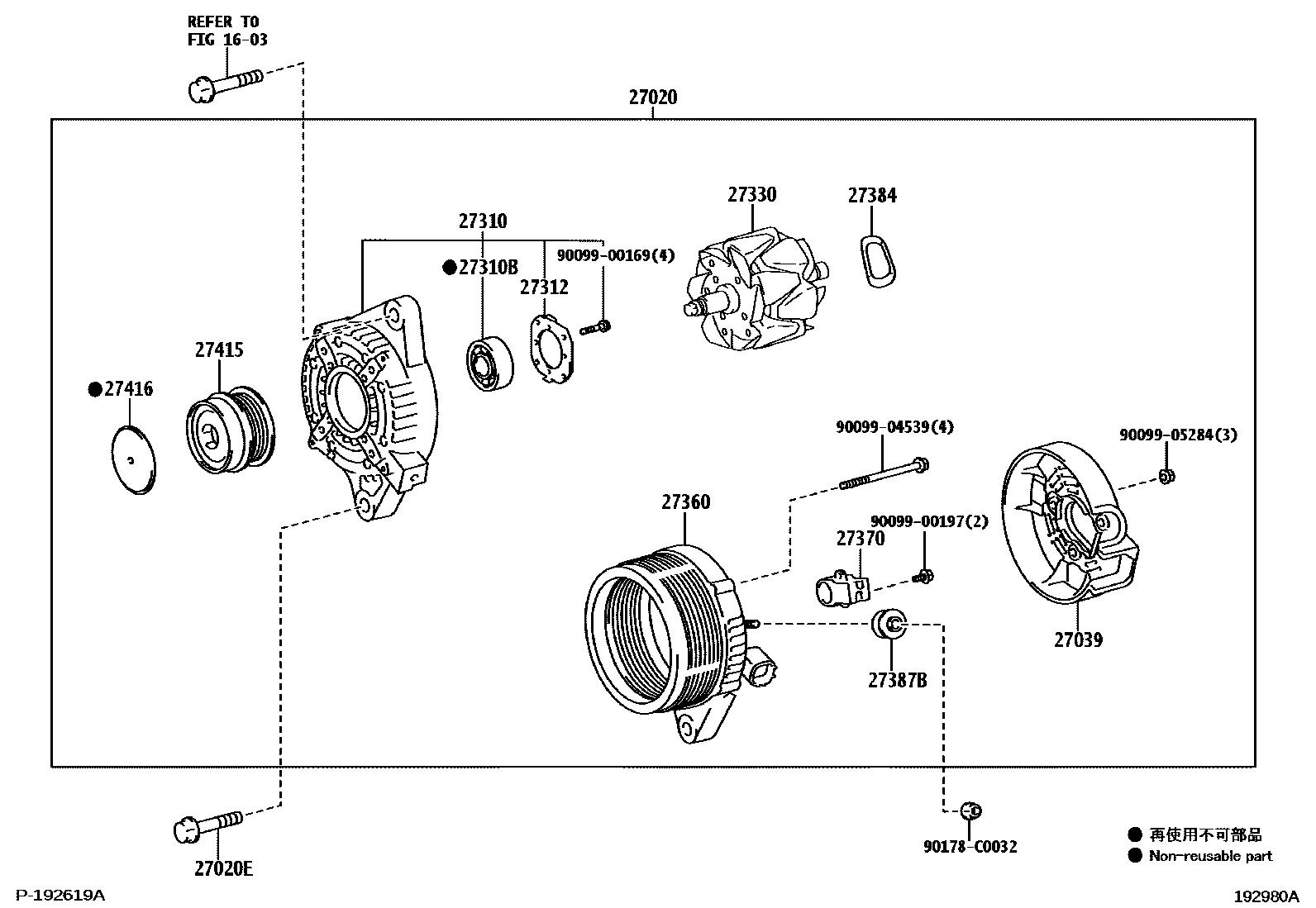
ALTERNATOR

1603RADIATOR & WATER OUTLET
27020ALTERNATOR ASSY
12V 80A
12V 100A
12V 100A
12V 80A
27020EBOLT(FOR ALTERNATOR)
27039COVER, ALTERNATOR REAR END
27310FRAME ASSY, DRIVE END, ALTERNATOR
27310BBEARING(FOR ALTERNATOR DRIVE END FRAME)
27312PLATE, RETAINER
27330ROTOR ASSY, ALTERNATOR
27360COIL ASSY, ALTERNATOR
27370HOLDER ASSY, ALTERNATOR BRUSH
27384WASHER
27387BINSULATOR, ALTERNATOR TERMINAL
27415PULLEY, ALTERNATOR W/CLUTCH
27416CAP, ALTERNATOR PULLEY
9009900169
main90099-00169
9009900197
main90099-00197
9009904539
main90099-04539
9009905284
main90099-05284
90178C0032
main90178-C0032
19 parts on this diagram · 3 diagrams in section