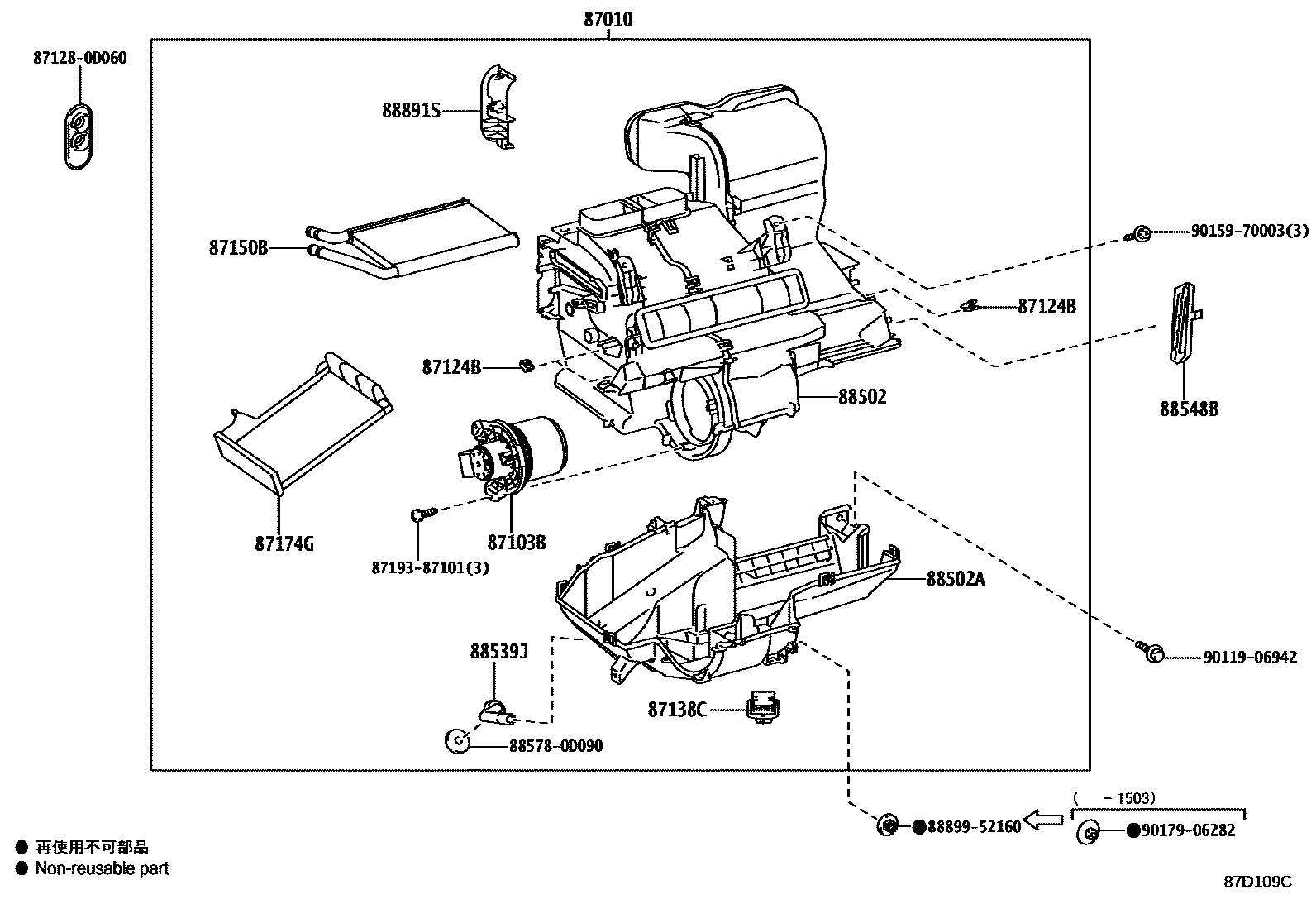
HEATING & AIR CONDITIONING - COOLER UNIT

87010UNIT ASSY, AIR CONDITIONER
W(*ERCDM)
87103BMOTOR SUB-ASSY, BLOWER W/FAN
87124BCLAMP, HEATER
87138CRESISTOR, BLOWER
87150BRADIATOR ASSY, HEATER
87174GGUIDE, AIR HEATER
88502CASE SUB-ASSY, COOLING UNIT
88502ACASE SUB-ASSY, COOLING UNIT
main88502-0D070iNGK12,15..5F;NGK11..4FC,5F;NGK12..6F..XS..AGT;NGK15..(4FC,6F)..AGT;NGK12..(4FC,6F)..(CROSS,X,XLS)201209
88539JHOSE, DRAIN COOLER
88548BCASE, AIR FILTER
main88548-0D130iNGK12,15..5F;NGK11..4FC,5F;NGK12..6F..XS..AGT;NGK15..(4FC,6F)..AGT;NGK12..(4FC,6F)..(CROSS,X,XLS)201209
88891SCOVER, COOLER, NO.1
871280D060GROMMET, HEATER
main87128-0D060
8719387101
main87193-87101
885780D090PAKING, COOLER AIR DUCT
main88578-0D090
8889952160COVER, EVAPORATOR
main88899-52160
9011906942
main90119-06942
9015970003
main90159-70003
9017906282
main90179-06282
18 parts on this diagram · 6 diagrams in section