BRAKE BOOSTER & VACUUM TUBE

1701MANIFOLD
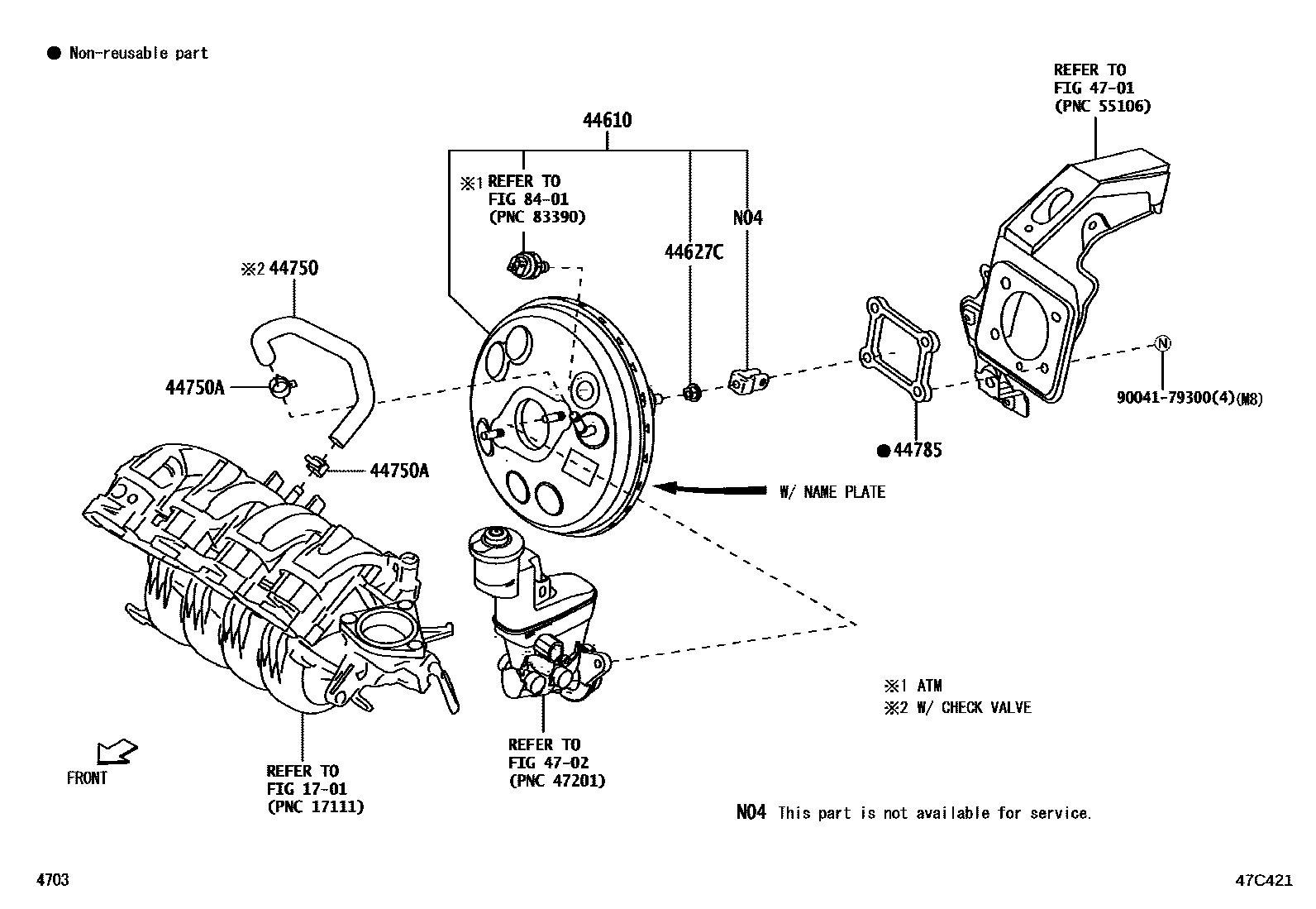
44610BOOSTER ASSY, BRAKE
ABS (ANTI-LOCK BRK SYSTM)-ABS,IDENTIFICATION EE; IDENTIFICATION C1; IDENTIFICATION EE
IDENTIFICATION EG
IDENTIFICATION C4
44627CNUT, BOOSTER SLEEVE CYLINDER
44750HOSE ASSY, VACUUM
44750ACLIP(FOR VACUUM HOSE ASSY)
44785GASKET, BRAKE BOOSTER
4701BRAKE PEDAL & BRACKET
4702BRAKE MASTER CYLINDER
8401SWITCH & RELAY & COMPUTER
9004179300
main90041-79300
10 parts on this diagram · 1 diagram in section