FRONT AXLE ARM & STEERING KNUCKLE

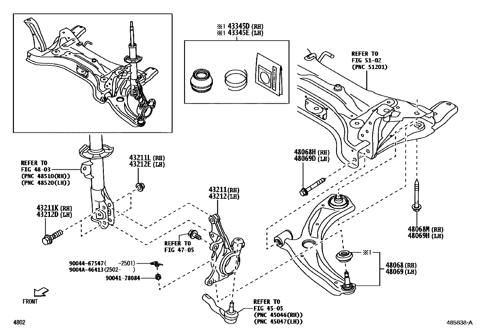
43211KNUCKLE, STEERING, RH
DESTINATION PACKAGE(ASIA)-VIETNAM
43211KBOLT (FOR STEERING KNUCKLE RH)
43211LNUT (FOR STEERING KNUCKLE RH)
43212KNUCKLE, STEERING, LH
DESTINATION PACKAGE(ASIA)-VIETNAM
43212DBOLT (FOR STEERING KNUCKLE LH)
43212ENUT (FOR STEERING KNUCKLE LH)
43345DCOVER, LOWER BALL JOINT DUST, RH
43345ECOVER, LOWER BALL JOINT DUST, LH
4505FRONT STEERING GEAR & LINK
4705FRONT DISC BRAKE CALIPER & DUST COVER
4803FRONT SPRING & SHOCK ABSORBER
48068ARM SUB-ASSY, FRONT SUSPENSION, LOWER NO.1 RH
48068HBOLT(FOR FRONT SUSPENSION LOWER ARM NO.1 RH)
48068MBOLT(FOR FRONT SUSPENSION LOWER ARM NO.2 RH)
48069ARM SUB-ASSY, FRONT SUSPENSION, LOWER NO.1 LH
48069DBOLT(FOR FRONT SUSPENSION LOWER ARM NO.1 LH)
48069HBOLT(FOR FRONT SUSPENSION LOWER ARM NO.2 LH)
5102SUSPENSION CROSSMEMBER & UNDER COVER
9004178084
main90041-78084
9004467547
main90044-67547
9004A46413
main9004A-46413
21 parts on this diagram · 1 diagram in section