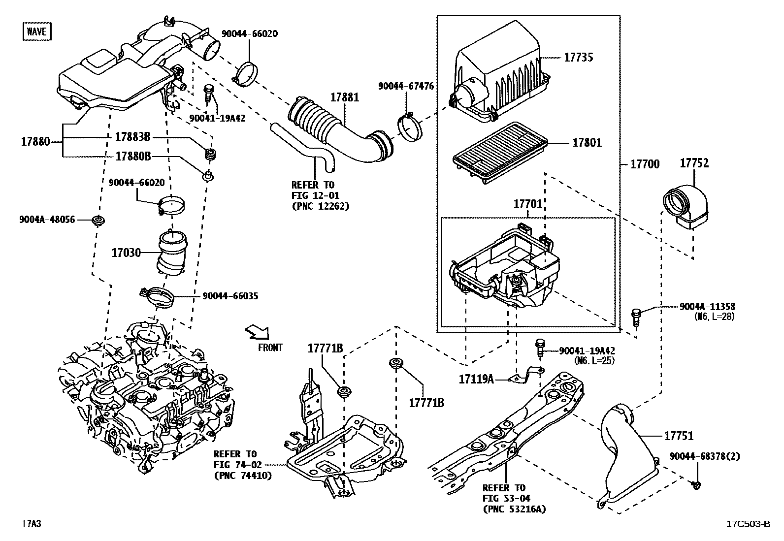
AIR CLEANER

1201VENTILATION HOSE
17030HOSE ASSY, AIR
17119ABRACKET, AIR CLEANER
17701CASE SUB-ASSY, AIR CLEANER
17735CAP, AIR CLEANER
17751INLET, AIR CLEANER, NO.1
17752INLET, AIR CLEANER, NO.2
17771BGROMMET(FOR AIR CLEANER BRACKET)
17801ELEMENT SUB-ASSY, AIR CLEANER FILTER
17880BCOLLAR(FOR AIR CLEANER HOSE)
17881HOSE, AIR CLEANER, NO.1
17883BGROMMET, AIR CLEANER HOSE
5304FRONT FENDER APRON & DASH PANEL
7402BATTERY CARRIER
9004119A42
main90041-19A42
9004466020
main90044-66020
9004466035
main90044-66035
9004467476
main90044-67476
9004468378
main90044-68378
9004A11358
main9004A-11358
9004A48056
main9004A-48056
23 parts on this diagram · 2 diagrams in section