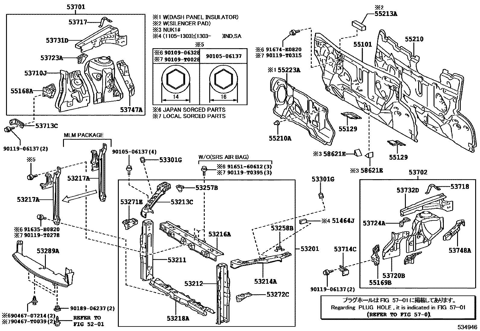
FRONT FENDER APRON & DASH PANEL

51464JCUSHION, RADIATOR SUPPORT
(L)
5201FRONT BUMPER & BUMPER STAY
53201SUPPORT SUB-ASSY, RADIATOR
main53201-0D900iNGK1#,NUK1#..(G,STD,V)..(IND,SA); NGK15..SA;NGK12..G,STD;NGK10,15,NUK1#..(G,V)..IND201303-202003
MLM PACKAGE
53211SUPPORT, RADIATOR, RH
MLM PACKAGE
53212SUPPORT, RADIATOR, LH
53213CSUPPORT, RADIATOR, UPPER FRONT
53214ASUPPORT, RADIATOR, UPPER LH
53216ASUPPORT, RADIATOR, UPPER
main53216-0D060iNGK1#,NUK1#..(G,STD,V)..(IND,SA); NGK15..SA;NGK12..G,STD;NGK10,15,NUK1#..(G,V)..IND201303-202003
MLM PACKAGE
53217ABRACE, HOOD LOCK SUPPORT
MLM PACKAGE
53218ASUPPORT, RADIATOR, LOWER
53257BBRACKET, RADIATOR SUPPORT TO FRONT FENDER
53258BBRACKET, RADIATOR SUPPORT TO FRONT FENDER, LH
53271EBRACKET, HEADLAMP MOUNTING, RH
53272CBRACKET, HEADLAMP MOUNTING, LH
53289ACOVER, RADIATOR SUPPORT OPENING
53301GCUSHION, HOOD BUMPER
53701APRON SUB-ASSY, FRONT FENDER, RH
53702APRON SUB-ASSY, FRONT FENDER, LH
53710JAPRON ASSY, FRONT FENDER, RH
53713CEXTENSION, FRONT FENDER APRON, FRONT RH
53714CEXTENSION, FRONT FENDER APRON, FRONT LH
53717PLATE, FENDER APRON, RH
53718PLATE, FENDER APRON, LH
53720BAPRON ASSY, FRONT FENDER, LH
53723AREINFORCEMENT, FRONT SPRING SUPPORT, RH
53724AREINFORCEMENT, FRONT SPRING SUPPORT, LH
53731DMEMBER, FRONT APRON TO COWL SIDE, UPPER RH
53732DMEMBER, FRONT APRON TO COWL SIDE, UPPER LH
53747AEXTENSION, APRON FENDER SIDE, RH
53748AEXTENSION, APRON FENDER SIDE, LH
55101PANEL SUB-ASSY, DASH
55129COVER, DASH PANEL HOLE
RH
LH
55168ABRACKET, FRONT FENDER MOUNTING, RH
55169BBRACKET, FRONT FENDER MOUNTING, LH
55210INSULATOR ASSY, DASH PANEL
55210ACLIP
55213APAD, DASH PANEL SILENCER
55223AINSULATOR, DASH PANEL, OUTER
5701HOLE PLUG
9010506137
main90105-06137
9010906328
main90109-06328
90109T0028
main90109-T0028
9011906137
main90119-06137
90119T0278
main90119-T0278
90119T0315
main90119-T0315
90119T0395
main90119-T0395
9018906237
main90189-06237
9046707214
main90467-07214
90467T0039
main90467-T0039
91635B0820
main91635-B0820
9165160612
main91651-60612
91674E0820
main91674-E0820
53 parts on this diagram · 1 diagram in section