E
EPC Data

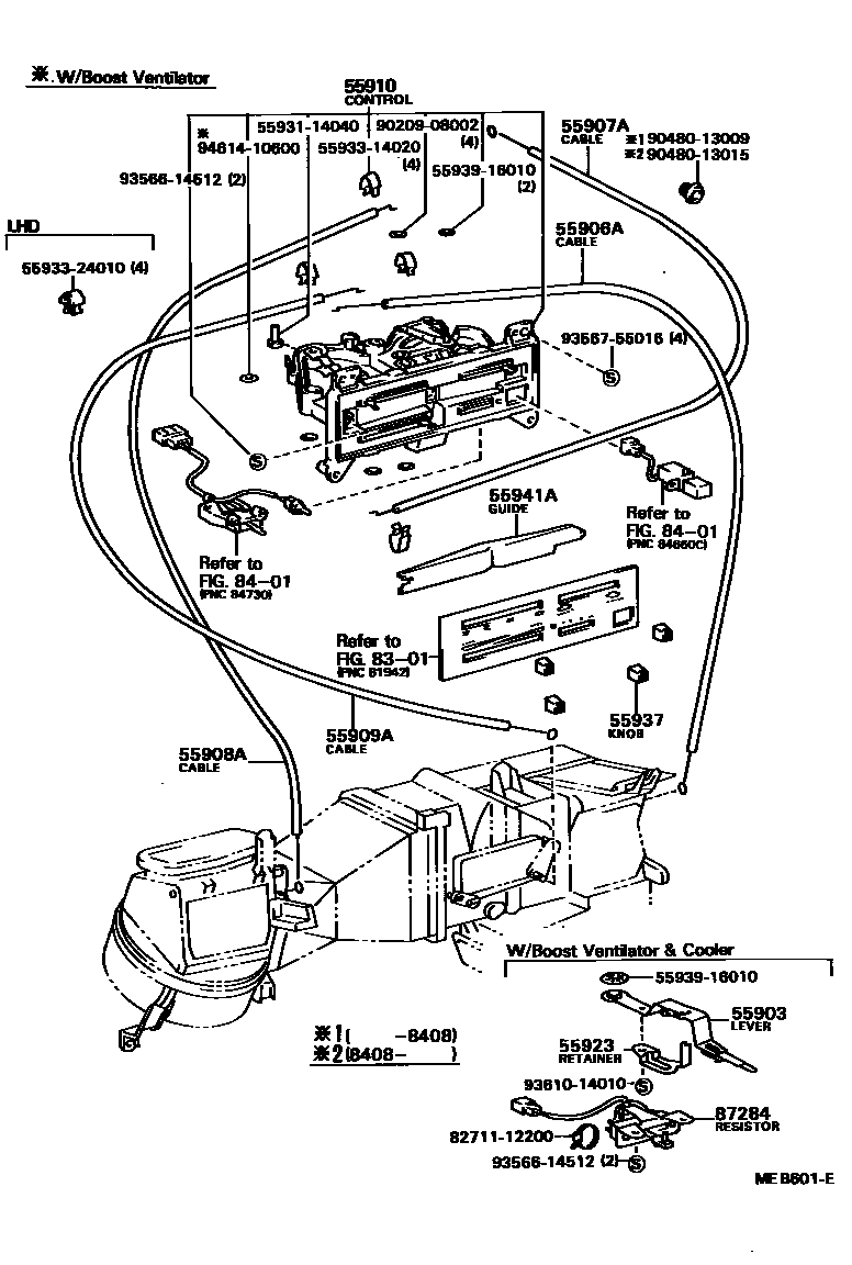
HEATING & AIR CONDITIONING - CONTROL & AIR DUCT

Parts diagram
55903LEVER SUB-ASSY, HEATER CONTROL
main55917-16040i198205-198302
W/BOOST VENTILATOR ONLY
main55917-16041i198503-198801
W/BOOST VENTILATOR ONLY
55906ACABLE SUB-ASSY, DEFROSTER DAMPER CONTROL
main55906-16030i198205-198801
main55906-16040i198205-198801
55907ACABLE SUB-ASSY, WATER VALVE CONTROL
main55907-16060i198205-198801
main55907-16070i198205-198801
W/HEATER
55908ACABLE SUB-ASSY, AIR INLET DAMPER CONTROL
main55908-16030i198205-198801
main55908-16040i198205-198801
55909ACABLE SUB-ASSY, AIRMIX DAMPER CONTROL
main55909-16020i198205-198801
main55909-16030i198205-198801
W/HEATER
55910CONTROL ASSY, HEATER OR BOOST VENTILATOR
main55910-16040i198205-198408
main55910-16041i198408-198801
main55910-16050i198205-198408
W/HEATER
main55910-16051i198408-198801
W/HEATER
main55910-16061i198408-198801
W/HEATER & COOLER
main55910-16070i198205-198408
W/*BV
main55910-16071i198408-198801
W/*BV
main55910-16080i198408-198801
W/COOLER
main55910-16090i198408-198801
W/*BV & COOLER
55923RETAINER, HEATER CONTROL, UPPER
main55923-16030i198205-198302
W/*BV ONLY
55937KNOB, HEATER CONTROL LEVER
main55905-10110×4i198409-198801
main55905-12060×4i198205-198408
main55905-12080×4i198205-198408
*IPM
main55905-89110×4i198408-198409
55941AGUIDE, HEATER CONTROL
main55941-16020i198205-198801
main55941-16030i198205-198801
8401SWITCH & RELAY & COMPUTER
87284RESISTOR SUB-ASSY, VARIABLE
main88032-16040i198205-198302
W/*BV ONLY
5593114040CLAMP, HEATER CONTROL WIRE
5593314020GUIDE, LEVER, NO.2
5593324010GUIDE, LEVER, NO.2
5593916010ORNAMENT, HEATER CONTROL
8271112200WIRE, FUSE TO FUSE(FOR COMBUSTION HEATER)
9020908002
9048013009
9048013015
9356614512
9356755016
9361014010
9461410600

24 parts on this diagram · 2 diagrams in section

HEATING & AIR CONDITIONING - CONTROL & AIR DUCT — Toyota Parts Diagram with OEM Numbers & Prices | EPC Data