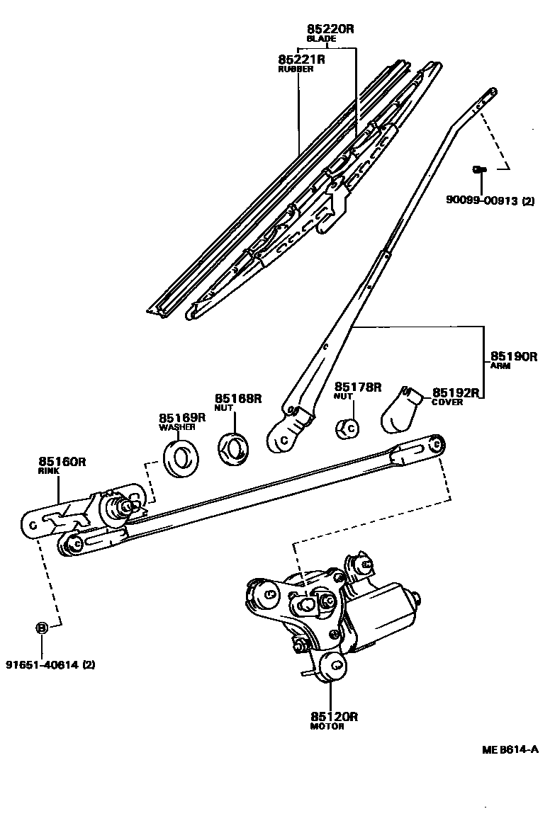
REAR WIPER

85120RMOTOR AND BRACKET ASSY, REAR WIPER
85160RLINK ASSY, REAR WIPER
85168RNUT, REAR WIPER LINK PIVOT, NO.1
85169RWASHER, REAR WIPER LINK PIVOT, NO.1
85178RNUT (FOR REAR WIPER ARM SETTING)
85190RARM ASSY, REAR WIPER
85192RCOVER, REAR WIPER ARM
85220RBLADE ASSY, REAR WIPER
9009900913
main90099-00913
9165140614
main91651-40614
11 parts on this diagram · 2 diagrams in section