E
EPC Data

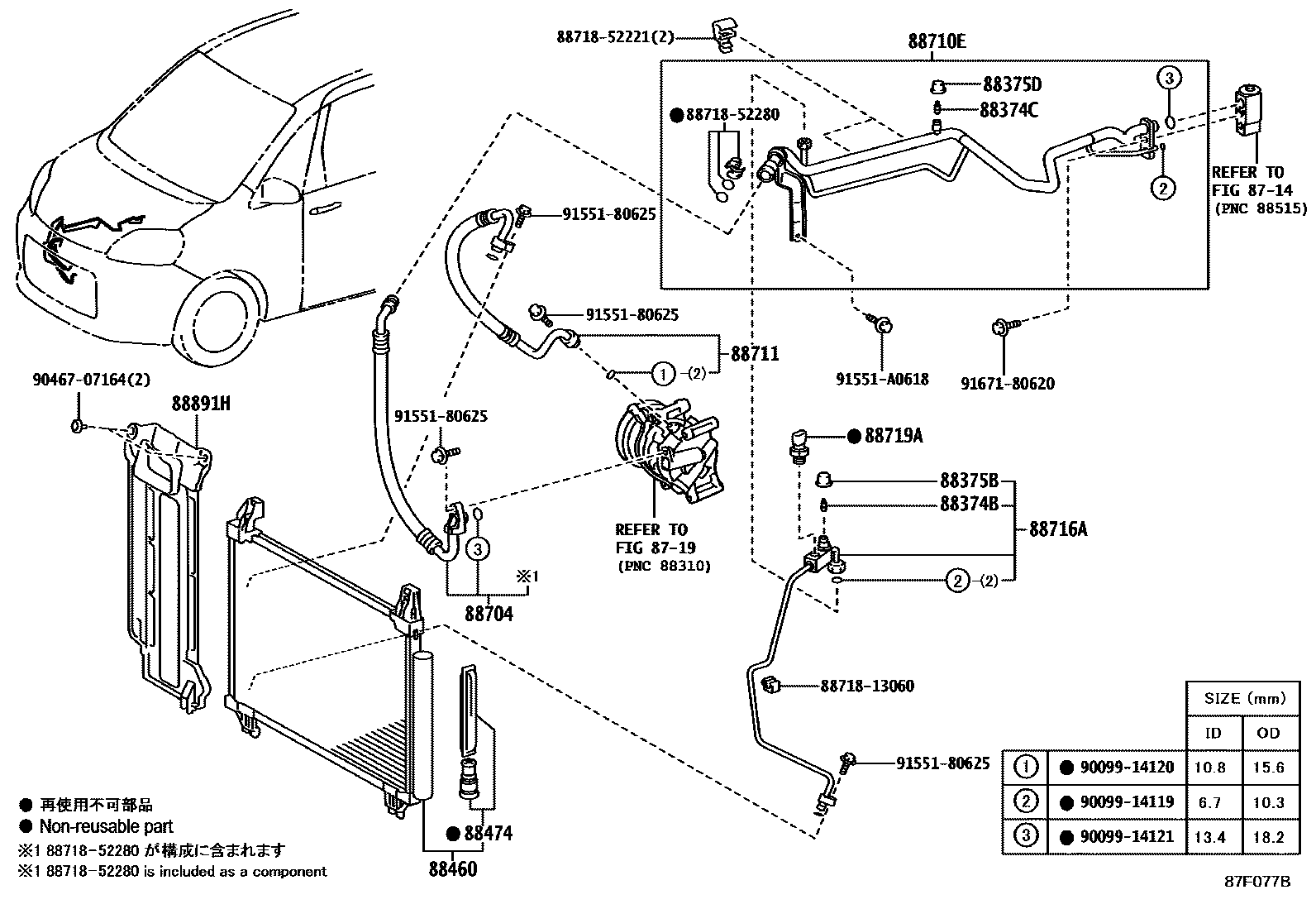
HEATING & AIR CONDITIONING - COOLER PIPING

Parts diagram
8714HEATING & AIR CONDITIONING - COOLER UNIT
8719HEATING & AIR CONDITIONING - COMPRESSOR
88374BVALVE, SERVICE, NO.1
main88374-30010i201507
88374CVALVE, SERVICE, NO.2
main88374-30010i201507
88375BCAP, SERVICE VALVE, NO.1
main88375-30280i201507
88375DCAP, SERVICE VALVE, NO.2
main88375-30290i201507
88460CONDENSER ASSY, COOLER
main88460-12600i201907
main88460-52130i201507-201907
88474DRYER, COOLER
main88474-12010i201907
main88474-12030i201507-201907
88704HOSE SUB-ASSY, SUCTION
main88704-52360i201507
88710ETUBE & ACCESSORY ASSY, AIR CONDITIONER
main88710-52160i201507
88711HOSE, COOLER REFRIGERANT DISCHARGE, NO.1
main88711-52370i201507-201907
main88711-52530i201907
88716APIPE, COOLER REFRIGERANT LIQUID, A
main88716-52830i201507-201907
main88716-52880i201907
88719ASENSOR, AIR CONDITIONER PRESSURE
main88719-33020i201507
88891HCOVER, COOLER, NO.1
main88891-52100i201507
8871813060PIPE, COOLER REFRIGERANT SUCTION, NO.2
8871852221PIPE, COOLER REFRIGERANT SUCTION, NO.2
8871852280PIPE, COOLER REFRIGERANT SUCTION, NO.2
9009914119
9009914120
9009914121
9046707164
9155180625
91551A0618
9167180620

24 parts on this diagram · 2 diagrams in section

HEATING & AIR CONDITIONING - COOLER PIPING — Toyota Parts Diagram with OEM Numbers & Prices | EPC Data