E
EPC Data

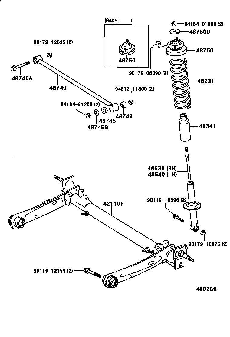
REAR SPRING & SHOCK ABSORBER

Parts diagram
42110FBEAM ASSY, REAR AXLE
main42110-10080i198912-199201
main42110-10081i199201
main42110-10091i199201-199601
W(ABS)
main42110-10100i198912-199001
SEVERE USAGE PACKAGE
main42110-10101i199201-199405
SEVERE USAGE PACKAGE
main42110-10110i199201-199601
48231SPRING, COIL, REAR
main48231-10220×2i198912-199201
main48231-10250×2i199201
main48231-10260×2i198912-199001
SEVERE USAGE PACKAGE
main48231-10261×2i199201
SEVERE USAGE PACKAGE
main48231-16500×2i199201
INDONESIA SPEC
48341BUMPER, REAR SPRING
main48341-10080×2i199112-199403
main48341-10081×2i199403-199512
main48341-10090×2i198912-199112
main48341-10120×2i199201-199405
main48341-10140×2i199405-199601
main48341-16100×2i199512
48530ABSORBER ASSY, SHOCK, REAR RH
main48530-10110i198912-199201
main48530-10120i198912-199201
13INCHES DISC WHEEL
main48530-10170i199201-199405
main48530-10180i199204-199405
main48530-10210i199201-199301
main48530-10211i199301-199405
main48530-10220i199201-199301
SEVERE USAGE PACKAGE; SEVERE USAGE PACKAGE OR INDONESIA SPEC
main48530-10221i199301-199405
SEVERE USAGE PACKAGE; SEVERE USAGE PACKAGE OR INDONESIA SPEC
main48530-10300i199405-199601
main48530-10310i199405-199601
main48530-10330i199405
main48530-10340i199405-199711
SEVERE USAGE PACKAGE & INDONESIA SPEC
main48530-10341i199711
SEVERE USAGE PACKAGE & INDONESIA SPEC
48540ABSORBER ASSY, SHOCK, REAR LH
main48530-10110i198912-199201
main48530-10120i198912-199201
13INCHES DISC WHEEL
main48530-10170i199201-199405
main48530-10180i199204-199405
main48530-10210i199201-199301
main48530-10211i199301-199405
main48530-10220i199201-199301
SEVERE USAGE PACKAGE; SEVERE USAGE PACKAGE OR INDONESIA SPEC
main48530-10221i199301-199405
SEVERE USAGE PACKAGE; SEVERE USAGE PACKAGE OR INDONESIA SPEC
main48530-10300i199405-199601
main48530-10310i199405-199601
main48530-10330i199405-199601
XL SPORTS PACKAGE
main48530-10340i199405-199711
SEVERE USAGE PACKAGE & INDONESIA SPEC
main48530-10341i199711
SEVERE USAGE PACKAGE & INDONESIA SPEC
48740ROD ASSY, REAR LATERAL CONTROL
main48740-10020i198912
48745BUSH, LATERAL CONTROL ROD
main90385-18015×2i198912
48745ABOLT, HEXAGON(FOR LATERAL CONTROL ROD)
main90105-12070i198912-199001
main90105-12212i199001
48745BWASHER, LATERAL CONTROL ROD CUSHION
main90201-12037i198912
48750SUPPORT ASSY, REAR SUSPENSION
main48750-10030×2i199201-199405
main48750-10040×2i198912-199405
main48750-10070×2i199405
48750DRETAINER(FOR REAR SUPPORT TO REAR SHOCK ABSORBER)
main90948-02082×2i198912
9011910596
9011912159
9017908090
9017910076
9017912025
9418401000
9418461200
9461211800

19 parts on this diagram · 2 diagrams in section

REAR SPRING & SHOCK ABSORBER — Toyota Parts Diagram with OEM Numbers & Prices | EPC Data