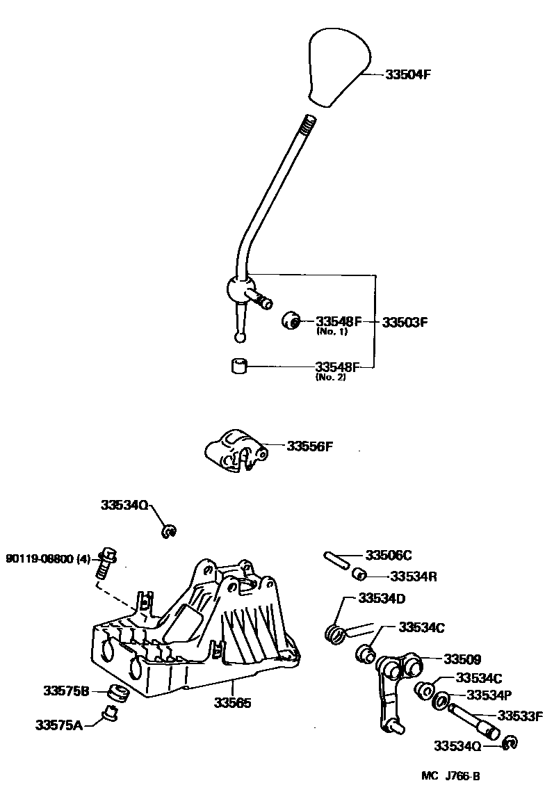
SHIFT LEVER & RETAINER

33503FLEVER SUB-ASSY, SHIFT(FOR FLOOR SHIFT)
33504FKNOB SUB-ASSY, SHIFT LEVER
UNITED KINGDOM SPEC,SHADOW GRAY,TRIM1#
sub33504-24010
33506CPIN, SHIFT LEVER RETAINER RING
33509CRANK SUB-ASSY, SELECTING BELL, NO.1
33533FSHAFT, BELLCRANK (FOR FLOOR SHIFT)
33534CBUSH (FOR SELECTING BELLCRANK NO.1)
33534DSPRING, TORSION (FOR SELECTING BELLCRANK NO.1)
33534PWASHER, PLATE (FOR SELECTING BELLCRANK NO.1)
33534QRING, E (FOR SELECTING BELLCRANK NO.1)
RH
LH
33534RCUSHION (FOR SELECTING BELLCRANK NO.1)
33548FBUSH, NO.1, SHIFT LEVER (FOR FLOOR SHIFT)
NO.2
NO.1
33556FSEAT, TRANSMISSION SHIFT LEVER BALL
33565PLATE, CONTROL SHIFT LEVER RETAINER
33575ABUSH, NO.1 (FOR CONTROL SHIFT LEVER RETAINER)
33575BBUSH, NO.2 (FOR CONTROL SHIFT LEVER RETAINER)
9011908800
main90119-08800
16 parts on this diagram · 7 diagrams in section