E
EPC Data

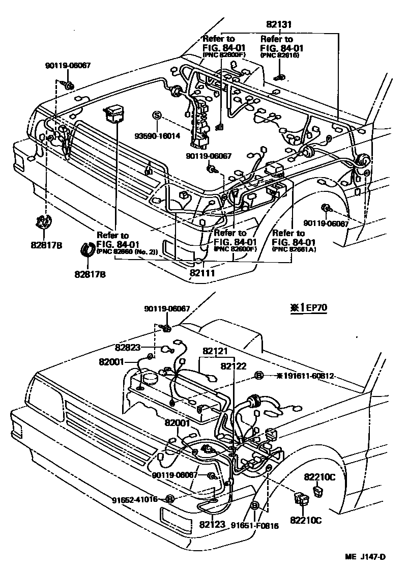
WIRING & CLAMP

Parts diagram
82001CABLE, BOND, NO.1
main90980-07241i198410-198912
E/G HUNGER TO BODY
main90980-07242i198410-198912
E/G CLUTCH TO BODY
82111WIRE, ENGINE ROOM MAIN
main82111-10010i198410-198912
main82111-10060i198410-198912
82121WIRE, ENGINE
main82121-10130i198410-198608
main82121-10131i198608-198609
main82121-10132i198609-198612
main82121-10140i198410-198608
main82121-10141i198608-198609
main82121-10142i198609-198612
main82121-10160i198410-198608
main82121-10161i198608-198609
main82121-10162i198609-198612
main82121-10180i198410-198608
main82121-10181i198608-198609
main82121-10182i198609-198612
main82121-10230i198502-198608
INDONESIA SPEC
main82121-10231i198608-198609
INDONESIA SPEC
main82121-10232i198609-198612
INDONESIA SPEC
main82121-10470i198612-198912
main82121-10480i198612-198912
main82121-10570i198612-198912
INDONESIA SPEC
82122WIRE, ENGINE, NO.2
main82122-10010i198410-198912
82123WIRE, ENGINE, NO.3
main82123-10010i198502-198612
INDONESIA SPEC
main82123-10020i198410-198912
main82123-10030i198612-198710
INDONESIA SPEC
main82123-10031i198710-198912
INDONESIA SPEC
82131WIRE, COWL
main82131-10200i198410-198612
W/O *SNR,*TAC,*RW,*AIC & *RWD
main82131-10210i198410-198612
W/*RW,W/*AIC,W/*RW & *AIC
main82131-10220i198410-198612
main82131-10230i198410-198612
W/O *SNR,*TAC,*RW & *AIC
main82131-10240i198512-198612
W/*RW
main82131-10440i198410-198612
W/*AIC,W/*RW & *AIC
main82131-10450i198410-198612
main82131-10460i198502-198607
INDONESIA SPEC
main82131-10461i198607-198612
INDONESIA SPEC
main82131-1C250i198612-198912
main82131-1C260i198612-198809
W/*RW
main82131-1C270i198809-198912
W/*RW
main82131-1C280i198612-198912
main82131-1C290i198612-198809
W/*RW
main82131-1C300i198612-198912
W/*SNR,*TAC,*AIC
main82131-1C310i198612-198807
INDONESIA SPEC
main82131-1C311i198807-198912
INDONESIA SPEC
82210CFUSIBLE LINK
main90982-08188i198410-198912
30A,TERM.:FEMALE,PNK,30A
main90982-08190i198410-198912
60A,TERM.:FEMALE,YEL,60A
82817PROTECTOR, WIRING HARNESS, NO.1
main82817-10140i198410-198912
82817BPROTECTOR, WIRING HARNESS, NO.3
main82817-22280×2i198410-198912
82823CAP, TERMINAL, NO.1
main82823-20040i198608-198608
main82823-22050i198608-198912
8401SWITCH & RELAY & COMPUTER
9011906067
9161160812
91651F0816
9165241016
9359016014

16 parts on this diagram · 4 diagrams in section

WIRING & CLAMP — Toyota Parts Diagram with OEM Numbers & Prices | EPC Data