E
EPC Data

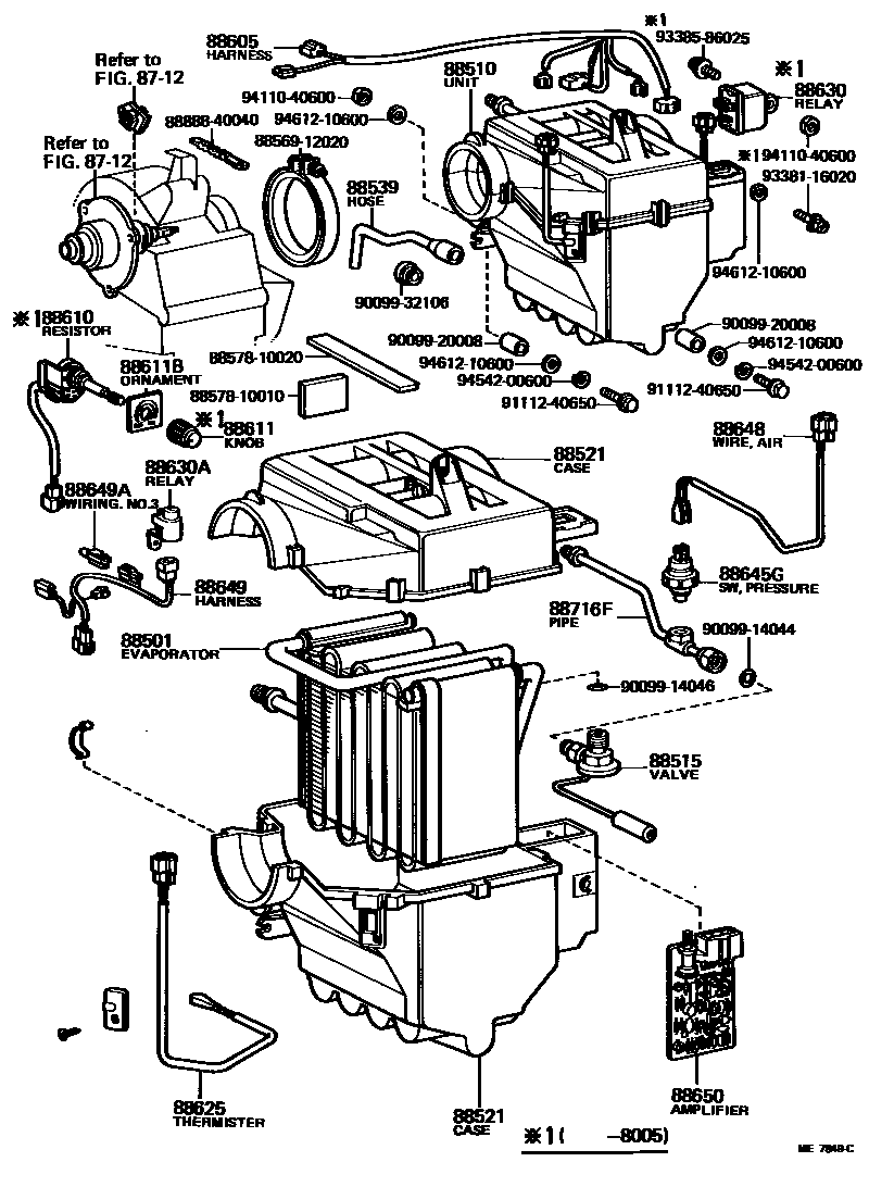
HEATING & AIR CONDITIONING - COOLER UNIT

Parts diagram
8712HEATING & AIR CONDITIONING - HEATER UNIT & BLOWER
88501EVAPORATOR SUB-ASSY, COOLER, NO.1
main88501-10031i198005-198208
main88501-10040i197810-197903
main88501-10041i197903-198005
main88501-10042i198005-198208
main88501-10050i197810-197903
main88501-10060i198208-198409
main88501-10070i198208-198409
88510UNIT ASSY, COOLER
main88510-10030i197810-197903
main88510-10031i198005-198208
main88510-10040i197810-197903
main88510-10041i197903-198005
main88510-10050i197903-198005
main88510-10060i198005-198208
main88510-10080i198208-198409
main88510-10090i198208-198409
main88510-10100i198208-198409
W/BOOST VENTILATOR
main88510-10110i198208-198409
W/BOOST VENTILATOR
88515VALVE, COOLER EXPANSION
main88515-10030i198208-198409
W/BOOST VENTILATOR
main88515-16020i198208-198409
main88515-16030i198208-198409
W/BOOST VENTILATOR
main88515-20040i197810-198208
88521CASE, COOLER UNIT
main88521-10030i198008-198208
UPR
main88521-10040i198008-198208
LWR
88539HOSE, COOLER UNIT DRAIN, NO.1
main88539-10030i197810-198208
main88539-10040i197810-198208
main88539-10050i198208-198409
main88539-10060i198208-198409
88605HARNESS SUB-ASSY, COOLER WIRING, NO.1
main88605-10040i197810-198005
main88605-10080i198005-198208
main88605-10130i198208-198409
main88605-10150i198208-198409
W/BOOST VENTILAOR; W/BOOST VENTILATOR
88610SWITCH ASSY, COOLER CONTROL
main88610-10010i197810-198005
88611KNOB, COOLER CONTROL SWITCH
main88611-10010i197810-198005
88611BPLATE, COOLER CONTROL SWITCH
main88895-10010i197810-198005
main88895-10050i197810-198005
main88895-10070i198005-198208
main88895-10090i198005-198208
88625THERMISTOR, COOLER, NO.1
main88625-12050i197810-198005
main88625-12070i198208-198409
main88625-20060i198005-198208
main88625-95A00i198208-198409
W/BOOST VENTILATOR
88630RELAY ASSY, COOLER
main88630-10010i197810-198005
88630ARELAY ASSY, COOLER
main88630-10020i198005-198208
main88630-10030i198208-198409
88645GSWITCH, PRESSURE
main88645-12020i198208-198409
main88645-22010i197810-198208
main88645-22020i197810-198208
88648WIRING, COOLER, NO.1
main88648-10070i197903-198008
main88648-10130i198008-198208
main88648-10160i198208-198409
main88648-12110i197810-197903
88649WIRING, COOLER, NO.2
main88648-10100i198005-198208
main88648-10180i198208-198409
main88648-10200i198208-198409
88649AWIRING, COOLER, NO.3
main88648-10110i198005-198208
88650AMPLIFIER ASSY, COOLER STABILIZER
main88650-10010i197810-197903
main88650-10011i197903-198208
main88650-10020i198008-198208
main88650-10030i198208-198409
main88650-16010i198208-198409
W/BOOST VENTILATOR
main88650-20100i197810-198008
88716FPIPE, COOLER REFRIGERANT LIQUID, F
main88716-10150i197810-198005
main88716-10190i197810-198005
main88716-10230i198005-198208
main88716-10270i198005-198208
main88716-10320i198208-198409
main88716-10360i198208-198409
8856912020CLAMP (FOR COOLER RELAY)
8857810010PAKING, COOLER AIR DUCT
8857810020PAKING, COOLER AIR DUCT
8888840040BAND (FOR COOLER COMPRESSOR)
9009914044
9009914046
9009920008
9009932106
9111240650
9338116020
9338586025
9411040600
9454200600
9461210600

33 parts on this diagram · 4 diagrams in section

HEATING & AIR CONDITIONING - COOLER UNIT — Toyota Parts Diagram with OEM Numbers & Prices | EPC Data