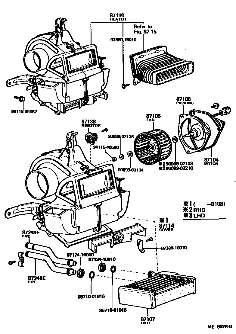
HEATING & AIR CONDITIONING - HEATER UNIT & BLOWER

87104MOTOR SUB-ASSY, HEATER BLOWER
W/BOOST VENTILATOR
main87104-10130iKP6#..EUR; KP61..4D..GEN; KP61..RHD..GEN;KP60..RHD..5D..DLX;KP60..SED..RHD..STD198208-198409
W/COOLER
W/BOOST VENTILATOR
HEAVY DUTY
main88550-87701iKP62..LHD..5F;KP61..LHD..EUG;KP62..LHD..4F..GEN;KP62..LHD..4F..EUG; KP62..RHD..GEN197810-198208
COOLER
87105FAN SUB-ASSY, HEATER BLOWER
87107UNIT SUB-ASSY, HEATER RADIATOR
HEAVY DUTY
FIN PICH=3.5
FIN PICH=3.2
87110HEATER ASSY
HEAVY DUTY,W/RR DUCT
HEAVY DUTY,W/RR DUCT
HEAVY DUTY,W/RR DUCT
HEAVY DUTY,W/O RR DUCT
HEAVY DUTY
HEAVY DUTY
87138RESISTOR, HEATER BLOWER
main87138-14020iKP62..LHD..5F;KP61..LHD..EUG;KP62..LHD..4F..GEN;KP62..LHD..4F..EUG; KP62..RHD..GEN197810-198208
COOLER
HEAVY DUTY
8715HEATING & AIR CONDITIONING - CONTROL & AIR DUCT
87188PACKING, HEATER BLOWER MOTOR
87248EPIPE, HEATER WATER INLET, E
87249EPIPE, HEATER WATER OUTLET, E (FOR HEATER UNIT)
8712410010CLAMP, HEATER
main87124-10010
8739910010BAND ASSY (FOR COMBUSTION HEATER)
main87399-10010
9009902133
main90099-02133
9009902134
main90099-02134
9009902135
main90099-02135
9009902210
main90099-02210
9011906182
main90119-06182
9356015010
main93560-15010
9411540500
main94115-40500
9671001016
main96710-01016
20 parts on this diagram · 4 diagrams in section