E
EPC Data

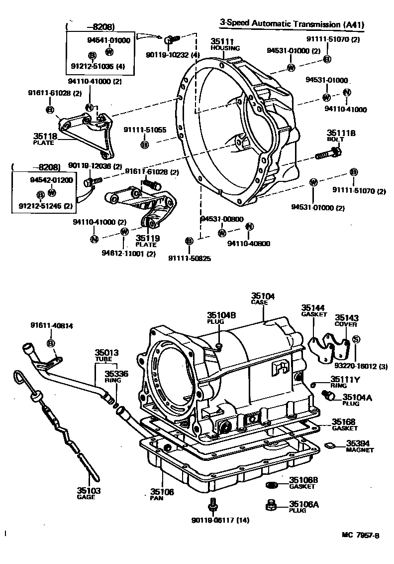
TRANSMISSION CASE & OIL PAN (ATM)

Parts diagram
35013TUBE SUB-ASSY, TRANSMISSION OIL FILLER
main35013-12110i198108-198409
35103GAGE SUB-ASSY, TRANSMISSION OIL LEVEL
main35103-20071i198108-198308
main35103-20072i198308-198409
35104CASE SUB-ASSY, AUTOMATIC TRANSMISSION
main35104-12020i198108-198409
35104APLUG, AUTOMATIC TRANSMISSION CASE
main90341-08001×2i198108-198409
35104BPLUG, BREATHER, NO.1 (ATM)
main90930-03069i198108-198409
35106PAN SUB-ASSY, AUTOMATIC TRANSMISSION OIL
main35106-22020i198108-198409
35106APLUG SUB-ASSY, DRAIN (ATM)
main90341-10003i198108-198307
main90341-10006i198307-198409
35106BGASKET, DRAIN PLUG (ATM)
main35178-30010i198108-198409
35111HOUSING, AUTOMATIC TRANSMISSION
main35111-12080i198108-198409
35111BBOLT (FOR TRANSMISSION HOUSING & ENGINE SETTING)
main90119-12004×4i198108-198409
35111YRING, O (FOR AUTOMATIC TRANSMISSION CASE)
main90301-06196×2i198108-198409
35118PLATE, STIFENER, RH (ATM)
main33118-12050i198108-198409
35119PLATE, STIFENER, LH (ATM)
main33119-12021i198108-198409
35143COVER, TRANSMISSION CASE, REAR
main35143-22010i198108-198409
35144GASKET, TRANSMISSION CASE REAR COVER
main35144-22010i198108-198409
35168GASKET, AUTOMATIC TRANSMISSION OIL PAN
main35168-22011i198108-198409
35336RING, O (FOR TRANSMISSION OIL FILLER TUBE)
main90301-09173i198108-198409
35394MAGNET, OIL CLEANER (FOR TRANSMISSION)
main35394-30011i198108-198409
9011906117
9011910232
9011912036
9111150825
9111151055
9111151070
9121251035
9121251245
9161140814
9161161028
9322016012
9411040800
9411041000
9453100800
9453101000
9454101000
9454201200
9461211001

36 parts on this diagram · 1 diagram in section

TRANSMISSION CASE & OIL PAN (ATM) — Toyota Parts Diagram with OEM Numbers & Prices | EPC Data