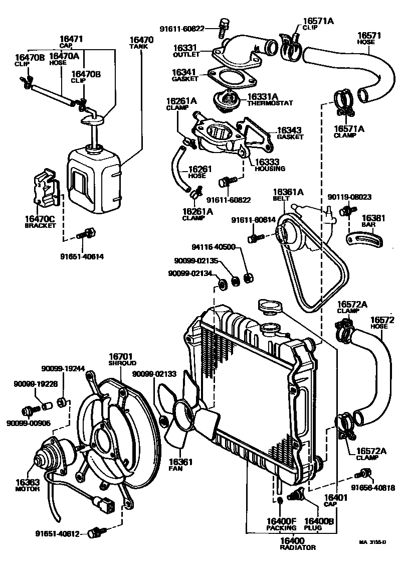
RADIATOR & WATER OUTLET

16261HOSE, WATER BY-PASS
16331OUTLET, WATER
16331ATHERMOSTAT
*WAX 82-95,*(F)
16333HOUSING, WATER OUTLET
16361FAN
4 BLADES
W/COOLER
W/COOLER
16361ABELT, V(FOR FAN & ALTERNATOR)
L=810 12V 30A ALTERNATOR
L=840
L=850
L=855
L=860 W/COOLER
L=870
W/RR WINDOW DEF OR COOLER
L=870,RR WINDOW DEFOGGER
COLD SPEC
W/RR WINDOW DEF OR COOLER
W/RR WINDOW DEF & COOLER
L=885
16381BAR, FAN BELT ADJUSTING
16400RADIATOR ASSY
sub16400-13200
W/COOLER
W/COOLER,MIDDLE EAST SPEC
MIDDLE EAST SPEC
W/COOLER
sub16400-13230
W/COOLER
16400BPLUG, RADIATOR DRAIN COCK
16470BCLAMP OR CLIP(FOR RADIATOR RESERVE TANK HOSE)
16470CBRACKET(FOR RADIATOR RESERVE TANK)
16571HOSE, RADIATOR, INLET
16572HOSE, RADIATOR, OUTLET
16572ACLAMP OR CLIP, HOSE(FOR RADIATOR OUTLET NO.1)
9009900905
main90099-00905
9009902133
main90099-02133
9009902134
main90099-02134
9009902135
main90099-02135
9009919228
main90099-19228
9009919244
main90099-19244
9011908023
main90119-08023
9161160614
main91611-60614
9161160822
main91611-60822
9165140612
main91651-40612
9165140614
main91651-40614
9165640818
main91656-40818
9411540500
main94115-40500
38 parts on this diagram · 5 diagrams in section