E
EPC Data

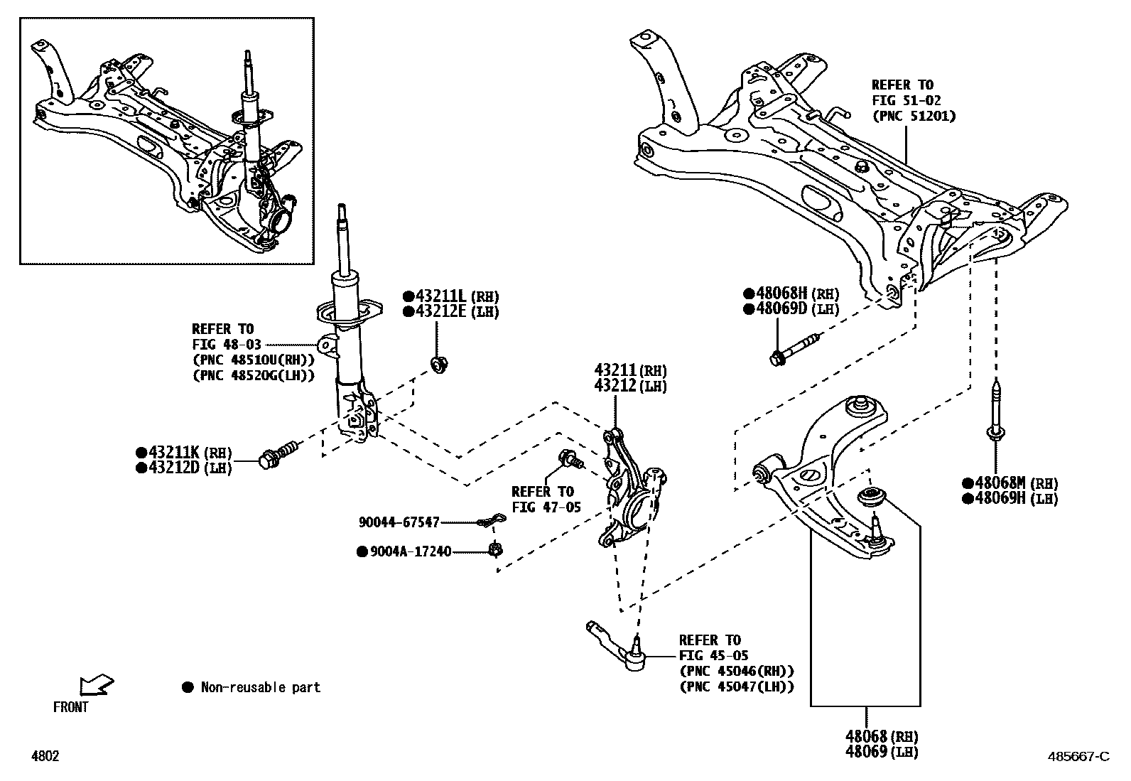
FRONT AXLE ARM & STEERING KNUCKLE

Parts diagram
43211KNUCKLE, STEERING, RH
main43211-BZ440i202208
43211KBOLT (FOR STEERING KNUCKLE RH)
main9004A-10307i202208
main90105-T0186i202208-202304
*12-1.25PX29.5-23
43211LNUT (FOR STEERING KNUCKLE RH)
main90041-70393i202208
43212KNUCKLE, STEERING, LH
main43212-BZ440i202208
43212DBOLT (FOR STEERING KNUCKLE LH)
main9004A-10307i202208
main90105-T0186i202208-202304
*12-1.25PX29.5-23
43212ENUT (FOR STEERING KNUCKLE LH)
main90041-70393i202208
4505FRONT STEERING GEAR & LINK
4705FRONT DISC BRAKE CALIPER & DUST COVER
4803FRONT SPRING & SHOCK ABSORBER
48068ARM SUB-ASSY, FRONT SUSPENSION, LOWER NO.1 RH
main48068-09350i202208
main48068-BZ441i202303
48068HBOLT(FOR FRONT SUSPENSION LOWER ARM NO.1 RH)
main90041-05441i202208
48068MBOLT(FOR FRONT SUSPENSION LOWER ARM NO.2 RH)
main9004A-10306i202208
48069ARM SUB-ASSY, FRONT SUSPENSION, LOWER NO.1 LH
main48069-09350i202208
main48069-BZ441i202303
48069DBOLT(FOR FRONT SUSPENSION LOWER ARM NO.1 LH)
main90041-05441i202208
48069HBOLT(FOR FRONT SUSPENSION LOWER ARM NO.2 LH)
main9004A-10306i202208
5102SUSPENSION CROSSMEMBER & UNDER COVER
9004467547
9004A17240

18 parts on this diagram · 1 diagram in section

FRONT AXLE ARM & STEERING KNUCKLE — Toyota Parts Diagram with OEM Numbers & Prices | EPC Data