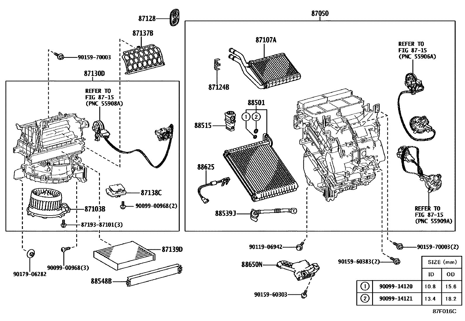
HEATING & AIR CONDITIONING - COOLER UNIT

87050RADIATOR ASSY, AIR CONDITIONER
87103BMOTOR SUB-ASSY, BLOWER W/FAN
87107AUNIT SUB-ASSY, HEATER RADIATOR
87124BCLAMP, HEATER
87128GROMMET, HEATER
87130DBLOWER ASSY
87137BCOVER, HEATER BLOWER
87138CRESISTOR, BLOWER
87139DELEMENT, AIR REFINER
*DPF
POLLEN FILTER
8715HEATING & AIR CONDITIONING - CONTROL & AIR DUCT
88501EVAPORATOR SUB-ASSY, COOLER, NO.1
88515VALVE, COOLER EXPANSION
88539JHOSE, DRAIN COOLER
88548BCASE, AIR FILTER
88625THERMISTOR, COOLER, NO.1
88650NAMPLIFIER ASSY, AIR CONDITIONER
8719387101
main87193-87101
9009900968
main90099-00968
9009914120
main90099-14120
9009914121
main90099-14121
9011906942
main90119-06942
9015960303
main90159-60303
9015960383
main90159-60383
9015970003
main90159-70003
9017906282
main90179-06282
25 parts on this diagram · 2 diagrams in section