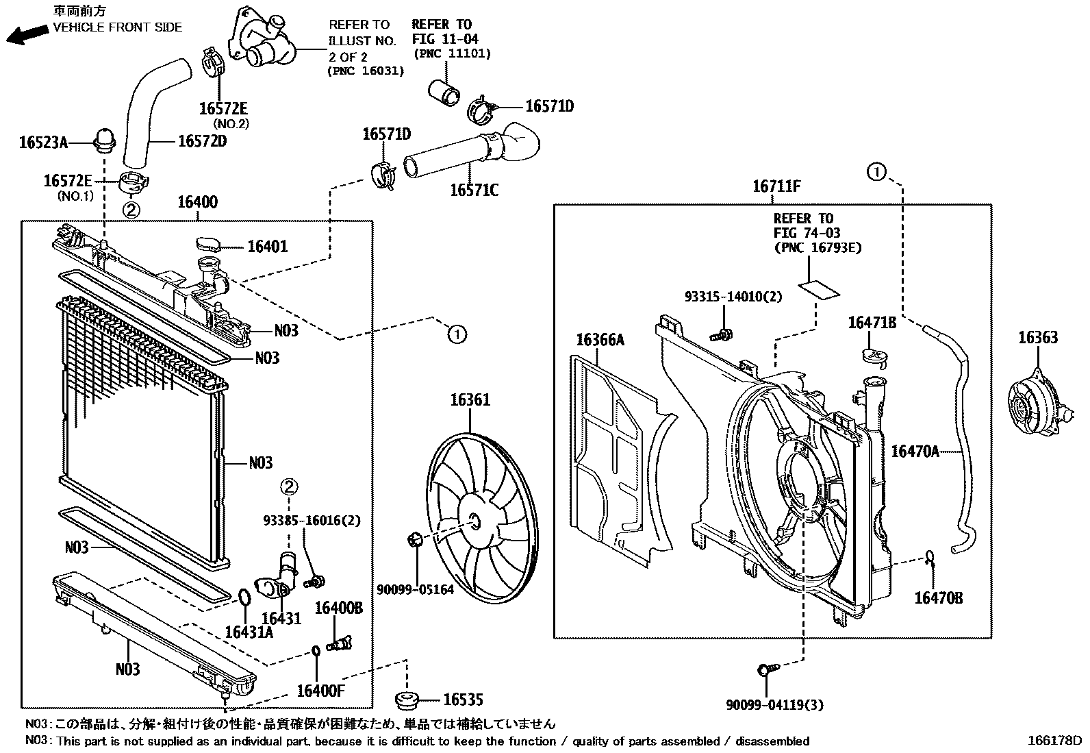
RADIATOR & WATER OUTLET

1104CYLINDER HEAD
16363MOTOR, COOLING FAN
16366AINSULATOR, COOLING FAN MOTOR
16400RADIATOR ASSY
16400BPLUG, RADIATOR DRAIN COCK
16400FPACKING(FOR RADIATOR DRAIN COCK)
16401CAP SUB-ASSY, RADIATOR
16431INLET, RADIATOR WATER
16431ARING, O(FOR RADIATOR WATER INLET)
16470AHOSE OR PIPE(FOR RADIATOR RESERVE TANK)
16470BCLAMP OR CLIP(FOR RADIATOR RESERVE TANK HOSE)
16471BCAP, RESERVE TANK
16523ACUSHION, RADIATOR SUPPORT
16535SUPPORT, RADIATOR, LOWER
16571CHOSE, RADIATOR, NO.1
16571DCLIP, RADIATOR HOSE, NO.1
16572DHOSE, RADIATOR, NO.2
16572ECLIP, RADIATOR HOSE, NO.2
NO.2:REFER ILLUST.
NO.1:REFER ILLUST.
16711FSHROUD, FAN(W/RADIATOR RESERVE TANK)
7403CAUTION PLATE (EXTERIOR & INTERIOR)
9009904119
main90099-04119
9009905164
main90099-05164
9331514010
main93315-14010
9338516016
main93385-16016
25 parts on this diagram · 4 diagrams in section