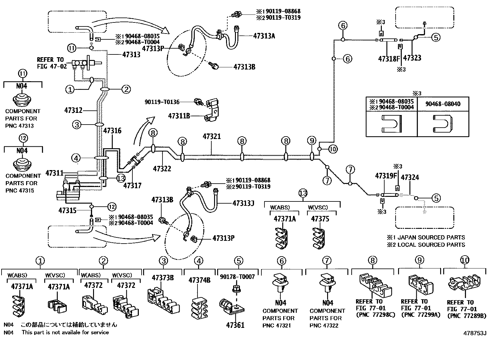
BRAKE TUBE & CLAMP

4702BRAKE MASTER CYLINDER
47311TUBE, FRONT BRAKE, NO.1
main47311-0D800supersedes 47311-0D570iNSP150..5F..GEN..R; NSP150..5F..PH; NSP151..5F..GEN201710-202108
ASEAN GENERAL SPEC; BOLIVIA SPEC; LAOS SPEC; PERU SPEC
LATIN AMERICA SPEC&ABS-WITHOUT; LATIN AMERICA SPEC&CHILE SPEC&ABS-WITHOUT
47311BWAY, NO.1(FOR FRONT BRAKE TUBE)
47312TUBE, FRONT BRAKE, NO.2
main47312-0D730supersedes 47312-0D500iNSP150..5F..GEN..R; NSP150..5F..PH; NSP151..5F..GEN201710-202108
ASEAN GENERAL SPEC; BOLIVIA SPEC; LAOS SPEC; PERU SPEC
LATIN AMERICA SPEC&ABS-WITHOUT; LATIN AMERICA SPEC&CHILE SPEC&ABS-WITHOUT
47313TUBE, FRONT BRAKE, NO.3
LATIN AMERICA SPEC&ABS-WITHOUT; LATIN AMERICA SPEC&CHILE SPEC&ABS-WITHOUT
47313AHOSE, FLEXIBLE, NO.1(FOR FRONT)
47313BBOLT, UNION(FOR FRONT FLEXIBLE HOSE)
47313JHOSE, FLEXIBLE, NO.2(FOR FRONT)
47313PGASKET(FOR FRONT FLEXIBLE HOSE)
47315TUBE, FRONT BRAKE, NO.5
LATIN AMERICA SPEC&ABS-WITHOUT
47316TUBE, FRONT BRAKE, NO.6
LATIN AMERICA SPEC&ABS-WITHOUT; LATIN AMERICA SPEC&CHILE SPEC&ABS-WITHOUT
47317TUBE, FRONT BRAKE, NO.7
LATIN AMERICA SPEC&ABS-WITHOUT; LATIN AMERICA SPEC&CHILE SPEC&ABS-WITHOUT
47318TUBE, FRONT BRAKE, NO.8
LATIN AMERICA SPEC&ABS-WITHOUT; LATIN AMERICA SPEC&CHILE SPEC&ABS-WITHOUT
47318FHOSE, FLEXIBLE(FOR REAR RH)
47319TUBE, FRONT BRAKE, NO.9
LATIN AMERICA SPEC&ABS-WITHOUT; LATIN AMERICA SPEC&CHILE SPEC&ABS-WITHOUT
47319FHOSE, FLEXIBLE(FOR REAR LH)
47321TUBE, REAR BRAKE, NO.1
47322TUBE, REAR BRAKE, NO.2
47323TUBE, REAR BRAKE, NO.3
BRUNEI SPEC
47324TUBE, REAR BRAKE, NO.4
47361CLAMP, TUBE
47371ACLAMP, BRAKE TUBE, NO.1
47372CLAMP, BRAKE TUBE, NO.2
COSTA RICA SPEC
47373BCLAMP, BRAKE TUBE, NO.3
47374BCLAMP, BRAKE TUBE, NO.4
ABS-WITHOUT
47375CLAMP, BRAKE TUBE, NO.5
7701FUEL TANK & TUBE
9011908868
main90119-08868
90119T0136
main90119-T0136
90119T0319
main90119-T0319
90178T0007
main90178-T0007
9046808035
main90468-08035
9046808040
main90468-08040
90468T0004
main90468-T0004
34 parts on this diagram · 13 diagrams in section