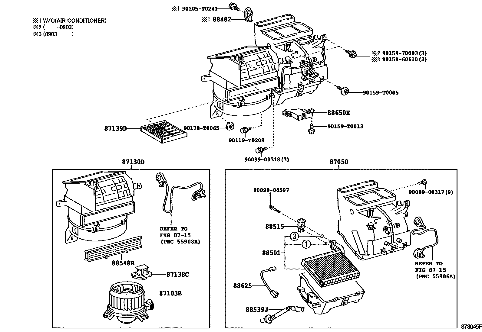
HEATING & AIR CONDITIONING - COOLER UNIT

87050RADIATOR ASSY, AIR CONDITIONER
S LIMITED PACKAGE
VIETNAM SPEC
87103BMOTOR SUB-ASSY, BLOWER W/FAN
S LIMITED PACKAGE
VIETNAM SPEC
VIETNAM SPEC
87130DBLOWER ASSY
VIETNAM SPEC
87138CRESISTOR, BLOWER
S LIMITED PACKAGE
VIETNAM SPEC
87139DELEMENT, AIR REFINER
8715HEATING & AIR CONDITIONING - CONTROL & AIR DUCT
88482CAP, COOLER
SINGAPORE SPEC
88501EVAPORATOR SUB-ASSY, COOLER, NO.1
VIETNAM SPEC
88515VALVE, COOLER EXPANSION
VIETNAM SPEC
VIETNAM SPEC
88539JHOSE, DRAIN COOLER
VIETNAM SPEC
88548BCASE, AIR FILTER
88625THERMISTOR, COOLER, NO.1
88650EAMPLIFIER ASSY, AIR CONDITIONER, NO.1
FRONT AIR CONDITIONER-DEALER KIT; SINGAPORE SPEC&FRONT AIR CONDITIONER-DEALER KIT
S LIMITED PACKAGE
S LIMITED PACKAGE
VIETNAM SPEC
9009900317
main90099-00317
9009900318
main90099-00318
9009904597
main90099-04597
90105T0241
main90105-T0241
90119T0209
main90119-T0209
9015960610
main90159-60610
9015970003
main90159-70003
90159T0005
main90159-T0005
90159T0013
main90159-T0013
90178T0065
main90178-T0065
23 parts on this diagram · 6 diagrams in section