E
EPC Data

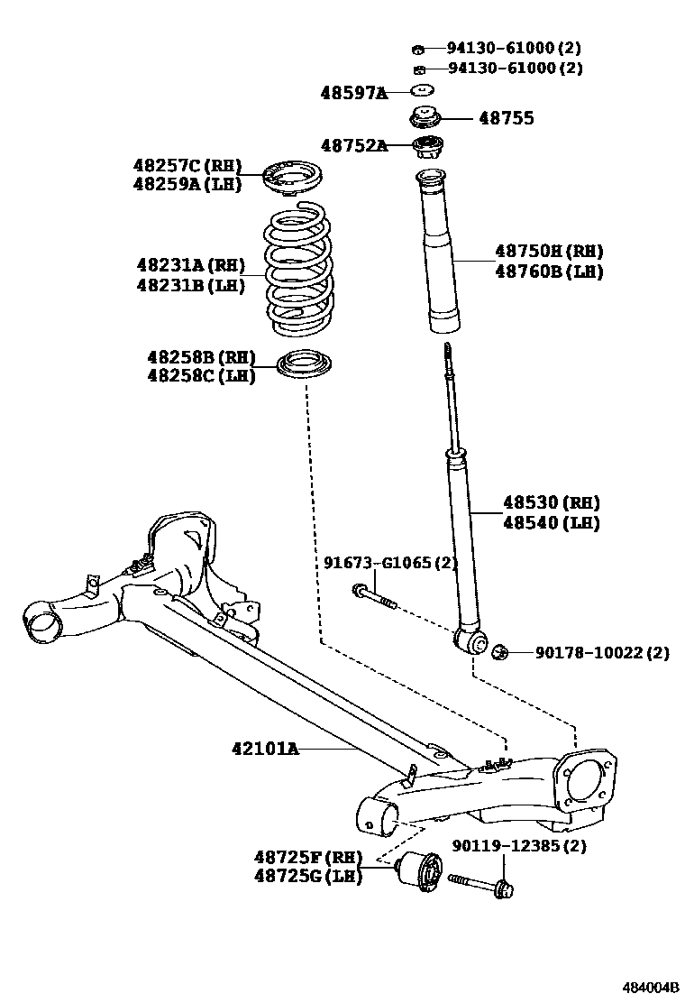
REAR SPRING & SHOCK ABSORBER

Parts diagram
42101ABEAM SUB-ASSY, REAR AXLE
main42101-52192i201108-201701
48231ASPRING, COIL, REAR RH
main48231-52E70i201407-202001
main48231-52E90i201108-201407
main48231-52F00i201108-201407
48231BSPRING, COIL, REAR LH
main48231-52E70i201407-202001
main48231-52E90i201108-201407
main48231-52F00i201108-201407
48257CINSULATOR, REAR COIL SPRING, UPPER RH
main48257-52010i201108-201701
48258BINSULATOR, REAR COIL SPRING, LOWER RH
main48258-52030i201108-201701
48258CINSULATOR, REAR COIL SPRING, LOWER LH
main48258-52030i201108-201701
48259AINSULATOR, REAR COIL SPRING, UPPER LH
main48257-52010i201108-201701
48530ABSORBER ASSY, SHOCK, REAR RH
main48530-52G10i201108-201407
MARK 48530-52G10
main48530-52J80i201407-201701
MARK 48530-52J80
main48530-52M90i201701-202001
MARK 48530-52M90
48540ABSORBER ASSY, SHOCK, REAR LH
main48530-52G10i201108-201407
MARK 48530-52G10
main48530-52J80i201407-201701
MARK 48530-52J80
main48530-52M90i201701-202001
MARK 48530-52M90
48597ARETAINER, REAR SHOCK ABSORBER CUSHION
main90201-10320i201108-201701
48725FBUSH, REAR AXLE CARRIER, RH
main48725-52120i201108-201407
ROUGH ROAD AREA SPEC-S AREA W/ROAD INTERFER
main48725-52120i201108-201407
ROUGH ROAD AREA SPEC-S AREA W/O ROAD INTERFER
main48725-52120i201407-201701
48725GBUSH, REAR AXLE CARRIER, LH
main48725-52120i201108-201407
ROUGH ROAD AREA SPEC-S AREA W/ROAD INTERFER
main48725-52120i201108-201407
ROUGH ROAD AREA SPEC-S AREA W/O ROAD INTERFER
main48725-52120i201407-201701
48750HSUPPORT ASSY, REAR SUSPENSION, RH
main48750-52100i201108-201311
main48750-52200i201312-201701
48752ASTOPPER, REAR SUSPENSION SUPPORT
main48752-52010i201108-201701
48755SUPPORT, REAR SUSPENSION
main48755-52010i201108-201701
48760BSUPPORT ASSY REAR SUSPENSION, LH
main48750-52100i201108-201311
main48750-52200i201312-201701
9011912385
9017810022
91673G1065
9413061000

20 parts on this diagram · 1 diagram in section

REAR SPRING & SHOCK ABSORBER — Toyota Parts Diagram with OEM Numbers & Prices | EPC Data