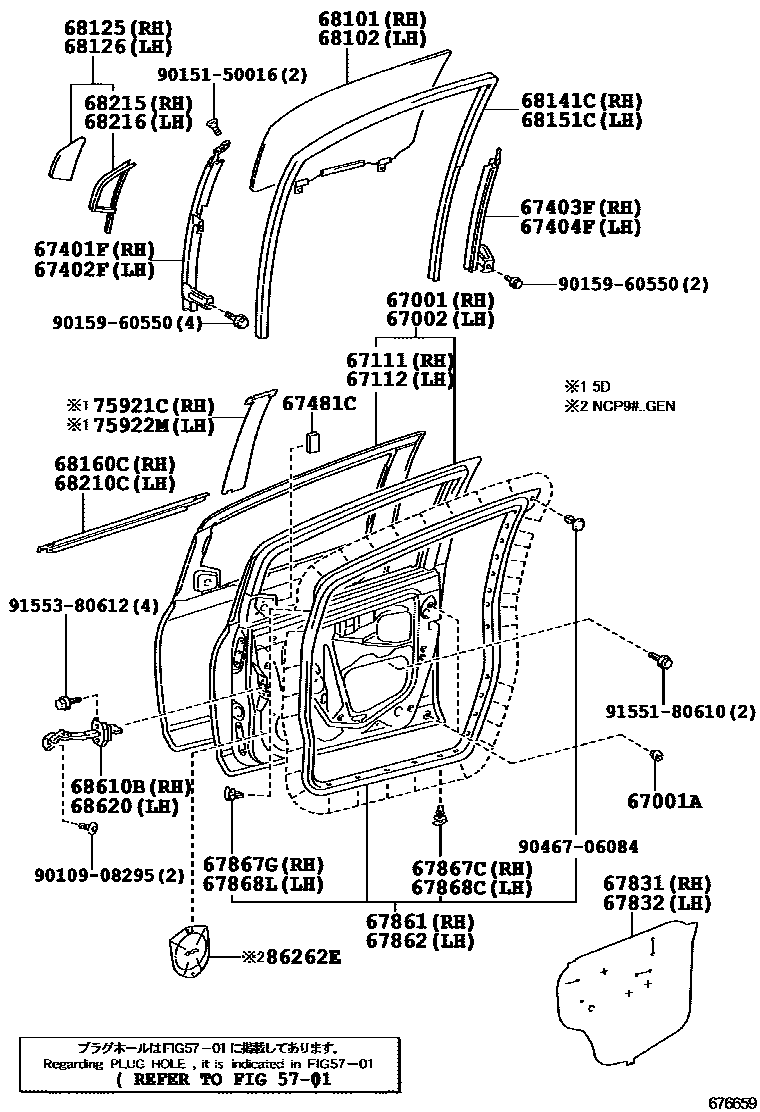
FRONT DOOR PANEL & GLASS

5701HOLE PLUG
67001PANEL SUB-ASSY, FRONT DOOR, RH
67001ACUSHION, FRONT DOOR PANEL
67002PANEL SUB-ASSY, FRONT DOOR, LH
67111PANEL, FRONT DOOR, OUTER RH
67112PANEL, FRONT DOOR, OUTER LH
67401FFRAME SUB-ASSY, FRONT DOOR, FRONT LOWER RH
67402FFRAME SUB-ASSY, FRONT DOOR, FRONT LOWER LH
67403FFRAME SUB-ASSY, FRONT DOOR, REAR LOWER RH
67404FFRAME SUB-ASSY, FRONT DOOR, REAR LOWER LH
67481CSEAL, FRONT DOOR FRONT LOWER FRAME
67831COVER, FRONT DOOR SERVICE HOLE, RH
67832COVER, FRONT DOOR SERVICE HOLE, LH
67861WEATHERSTRIP, FRONT DOOR, RH
67862WEATHERSTRIP, FRONT DOOR, LH
67867CRETAINER, FRONT DOOR WEATHERSTRIP, RH
67867GRETAINER, DOOR WEATHERSTRIP, RH
67868CRETAINER, FRONT DOOR WEATHERSTRIP, LH
67868LRETAINER, DOOR WEATHERSTRIP, LH
68101GLASS SUB-ASSY, FRONT DOOR, RH
*UVCT,T=3.5,GREEN
*UVCT,T=3.5,GREEN
68102GLASS SUB-ASSY, FRONT DOOR, LH
*UVCT,T=3.5,GREEN
*UVCT,T=3.5,GREEN
68125GLASS, FRONT DOOR FIX WINDOW, RH
*UVCT,T=3.5,GREEN
*UVCT,T=3.5,GREEN
68126GLASS, FRONT DOOR FIX WINDOW, LH
*UVCT,T=3.5,GREEN
*UVCT,T=3.5,GREEN
68141CRUN, FRONT DOOR GLASS, RH
68151CRUN, FRONT DOOR GLASS, LH
68160CWEATHERSTRIP ASSY, FRONT DOOR GLASS, OUTER RH
68210CWEATHERSTRIP ASSY, FRONT DOOR GLASS, OUTER LH
68215WEATHERSTRIP, FRONT DOOR FIX WINDOW, RH
68216WEATHERSTRIP, FRONT DOOR FIX WINDOW, LH
68610BCHECK ASSY, FRONT DOOR, RH
75921CTAPE, BLACK OUT, NO.1 RH
75922MTAPE, BLACK OUT, NO.1 LH
86262ECOVER, SPEAKER, FRONT
9010908295
main90109-08295
9015150016
main90151-50016
9015960550
main90159-60550
9046706084
main90467-06084
9155180610
main91551-80610
9155380612
main91553-80612
40 parts on this diagram · 3 diagrams in section