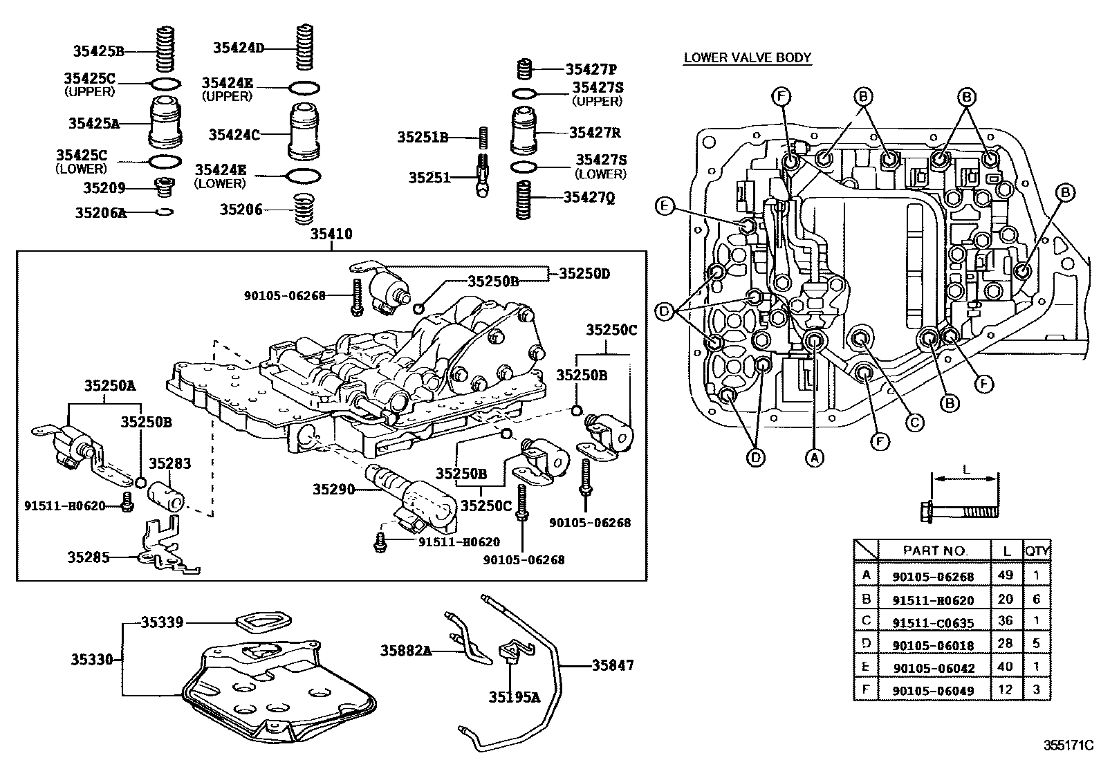
VALVE BODY & OIL STRAINER (ATM)

35195ACLAMP, TRANSAXLE APPLY TUBE, NO.1
35206SPRING SUB-ASSY, C-1 ACCUMULATOR
35206ARING, HOLE SNAP (FOR C-1 ACCUMULATOR SPRING)
35209SPRING SUB-ASSY, C-2 ACCUMULATOR
35250ASOLENOID ASSY, TRANSMISSION, NO.3
DENSO
AISIN
35250BRING, O NO.3(FOR TRANSMISSION SOLENOID)
35250CSOLENOID ASSY, TRANSMISSION NO.1
35250DSOLENOID ASSY, TRANSMISSION NO.2
35251BODY, CHECK BALL
35251BSPRING, COMPRESSION(FOR CHECK BALL BODY)
35283SLEEVE, LOCK UP CONTROL SOLENOID
35285PLATE, SOLENOID LOCK
35290SOLENOID ASSY, LINE PRESSURE CONTROL
35330STRAINER ASSY, VALVE BODY OIL
35339GASKET, OIL STRAINER
35410BODY ASSY, TRANSMISSION VALVE
35424CPISTON, C-1 ACCUMULATOR
35424DSPRING, COMPRESSION (FOR C-1 ACCUMULATOR PISTON)
35424ERING, O (FOR C-1 ACCUMULATOR PISTON)
UPPER
LOWER
35425APISTON, C-2 ACCUMULATOR
35425BSPRING, COMPRESSION (FOR C-2 ACCUMULATOR PISTON)
35425CRING, O (FOR C-2 ACCUMULATOR PISTON)
UPPER
UPPER
LOWER
LOWER
35427PSPRING, COMPRESSION, NO.1(FOR B-1 ACCUMULATOR PISTON)
35427QSPRING COMPRESSION, NO.2(FOR B1 ACCUMULATOR PISTON)
35427RPISTON B-1 ACCUMULATOR
35427SRING, O(FOR B-1 ACCUMULATOR PISTON)
UPPER
LOWER
35847TUBE, TRANSMISSION LUBE APPLY
35882ATUBE, DIFFERENTIAL GEAR LUBE APPLY
9010506018
main90105-06018
9010506042
main90105-06042
9010506049
main90105-06049
9010506268
main90105-06268
91511C0635
main91511-C0635
91511H0620
main91511-H0620
34 parts on this diagram · 4 diagrams in section