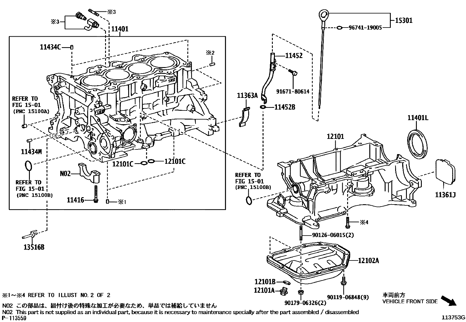
CYLINDER BLOCK

11361JCOVER, FLYWHEEL HOUSING UNDER
11363ACOVER, FLYWHEEL HOUSING SIDE
11401BLOCK SUB-ASSY, CYLINDER
11401LSEAL, ENGINE REAR OIL
11416BOLT(FOR CRANKSHAFT BEARING CAP SET)
11434CPIN, STRAIGHT (FOR CYLINDER HEAD SET)
L=18,OD=8
11434MPIN, STRAIGHT(FOR CHAIN TENSIONER)
11452GUIDE, OIL LEVEL GAGE
11452BRING, O(FOR OIL LEVEL GAGE GUIDE)
12101PAN SUB-ASSY, OIL
12101APLUG(FOR OIL PAN DRAIN)
12101BGASKET(FOR OIL PAN DRAIN PLUG)
12101CRING, O(FOR OIL PAN)
12102APAN SUB-ASSY, OIL, NO.2
13516BJET, OIL
1501ENGINE OIL PUMP
15301GAGE SUB-ASSY, OIL LEVEL
9011906848
main90119-06848
9012606015
main90126-06015
9017906326
main90179-06326
9167180614
main91671-80614
9674119005
main96741-19005
22 parts on this diagram · 2 diagrams in section