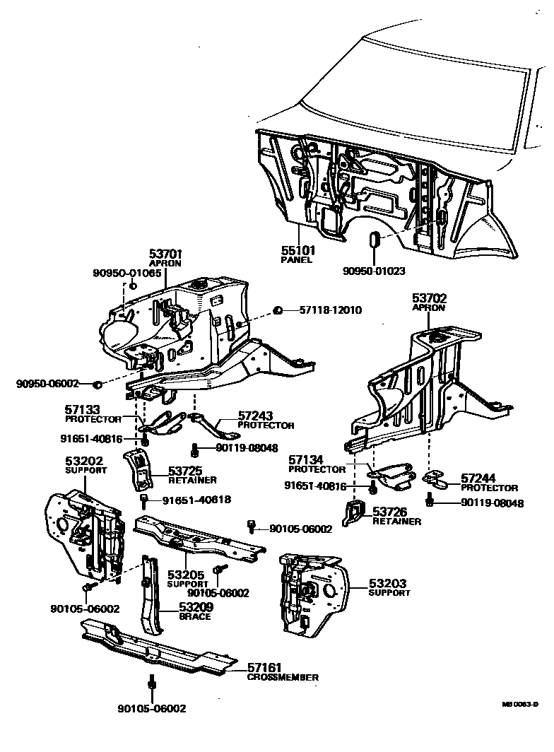
FRONT FENDER APRON & DASH PANEL

53202SUPPORT SUB-ASSY, RADIATOR, RH
53203SUPPORT SUB-ASSY, RADIATOR, LH
53205SUPPORT SUB-ASSY, RADIATOR, UPPER
53701APRON SUB-ASSY, FRONT FENDER, RH
W/PROPORTIONING VALVE
W/PROPORTIONING VALVE
W/PROPORTIONING VALVE
W/PROPORTIONING VALVE
W/PROPORTIONING VALVE
53702APRON SUB-ASSY, FRONT FENDER, LH
53725RETAINER, FRONT BUMPER STAY, RH
53726RETAINER, FRONT BUMPER STAY, LH
55101PANEL SUB-ASSY, DASH
SWITZERLAND SPEC
W/TANDEM M/C
57133PROTECTOR, STRUT BAR BRACKET, RH
COLD SPEC
COLD SPEC
57134PROTECTOR, STRUT BAR BRACKET, LH
COLD SPEC
COLD SPEC
57243PROTECTOR, LOWER ARM, RH
COLD SPEC
57244PROTECTOR, LOWER ARM, LH
COLD SPEC
5711812010PLATE SUB-ASSY, FRONT SIDE MEMBER, FRONT LH
main57118-12010
9010506002
main90105-06002
9011908048
main90119-08048
9095001023
main90950-01023
9095001065
main90950-01065
9095006002
main90950-06002
9165140618
main91651-40618
9165140816
main91651-40816
22 parts on this diagram · 1 diagram in section