E
EPC Data

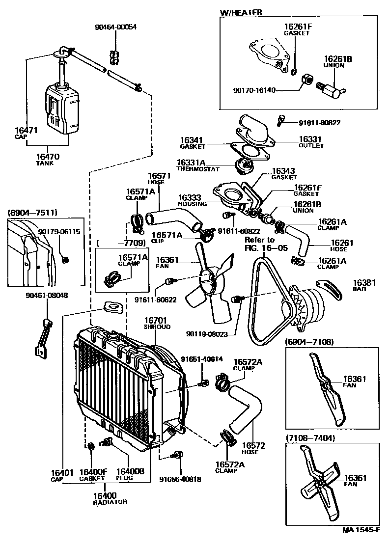
RADIATOR & WATER OUTLET

Parts diagram
16261HOSE, WATER BY-PASS
main16261-22010i196904-197105
W/O HEATER
main16261-22011i197105-198808
W/O HEATER
16261ACLAMP OR CLIP, HOSE(FOR WATER BY-PASS HOSE)
main90460-22004×2i196904-197001
W/O HEATER
main96112-10220×2i197001-198808
W/O HEATER
16261BUNION(FOR WATER BY-PASS HOSE)
main90404-16106i196904-196909
W/O HEATER
main90404-16162i196909-198808
W/O HEATER
main90404-16185i196904-196908
W/HEATER
main90404-16197i196908-197005
W/HEATER
main90407-16039i197005-197404
W/HEATER
16261FGASKET(FOR WATER BY-PASS HOSE)
main90301-13105i196904-197404
W/HEATER
main90430-16003i197503-197506
W/HEATER
main90430-16044i196904-197503
W/O HEATER
16331OUTLET, WATER
main16331-22030i196904-197511
main16331-22031i198612-198808
main16331-24010i197511-197709
main16331-24011i197709-198612
16331ATHERMOSTAT
main90916-03008i196904-197001
*WAX 82-95,KUZEH
main90916-03020i196904-197911
*WAX 82-95,*(F)
main90916-03021i197001-197405
*WAX 82-95,KUZEH
main90916-03034i197911-198211
*WAX 82-95,*(F)
main90916-03036i197511-198008
COLD SPEC,*WAX 88-100,*(F)
main90916-03037i197911-198211
*WAX 82-95,KUZEH
main90916-03038i197405-197911
*WAX 82-95,KUZEH
main90916-03054i198211-198808
*WAX 82-95,*WAX 82-95
16333HOUSING, WATER OUTLET
main16333-22020i196904-197511
main16333-22021i197511-198808
16341GASKET, WATER OUTLET
main16341-13010i197803-197812
main16341-13011i197812-198808
main16341-22010i196904-197803
16343GASKET, WATER OUTLET HOUSING
main16343-22010i196904-198201
main16343-22011i198201-198808
16361FAN
main16361-12010i197404-197511
4 BLADES
main16361-22010i196904-197108
2 BLADES
main16361-24010i197108-197404
4 BLADES
main16361-24031i197511-198808
4 BLADES
16381BAR, FAN BELT ADJUSTING
main16381-22010i196904-197302
main16381-24011i197302-198101
16400RADIATOR ASSY
main16400-22010i196904-197112
main16400-22012i197201-197302
main16400-24060i197302-197310
main16400-24061i197310-197511
main16400-24180i197511-198808
16400BPLUG, RADIATOR DRAIN COCK
main90099-18501i196904-197012
main90099-18502i197012-197112
main90910-09052i197201-197511
main90910-09054i197511-198808
16400FPACKING(FOR RADIATOR DRAIN COCK)
main90099-06027i197012-197112
main90099-06030i197201-197511
main96710-01007i197511-198808
16401CAP SUB-ASSY, RADIATOR
main16401-36010i197310-197808
main16401-36011i197808-198808
main16401-40120i196904-197212
main16401-50010i197212-197310
16470TANK ASSY, RADIATOR RESERVE
main16470-12010i197310-197511
main16470-12020i197310-197511
COLD SPEC
main16470-24012i197511-198702
main16480-45030i198702-198808
16471CAP SUB-ASSY, RESERVE TANK
main16405-95700i198702-198808
main16471-12020i197310-197511
COLD SPEC
main16471-24010i197310-197511
main16471-24012i197511-198702
16571HOSE, RADIATOR, INLET
main90916-01013i196904-197511
main90916-01121i197511-197709
main90916-01158i197709-198808
16571ACLAMP OR CLIP, HOSE(FOR RADIATOR INLET)
main90460-43005×2i196904-197404
main90467-37001i197709-198808
WATER PUMP SIDE
main96111-10430×2i197404-197709
16572HOSE, RADIATOR, OUTLET
main90916-01049i196904-197112
main90916-01117i197201-197302
main90916-01124i197302-198808
16572ACLAMP OR CLIP, HOSE(FOR RADIATOR OUTLET NO.1)
main90460-43005×2i196904-197302
main90460-47036×2i197302-198808
16701SHROUD SUB-ASSY, FAN
main16701-12010i197201-197404
main16701-12030i197404-197511
main16711-12010i197511-198808
9011908023
9017016140
9017906115
9046108048
9046400054
9161160622
9161160822
9165140614
9165640818

32 parts on this diagram · 2 diagrams in section

RADIATOR & WATER OUTLET — Toyota Parts Diagram with OEM Numbers & Prices | EPC Data