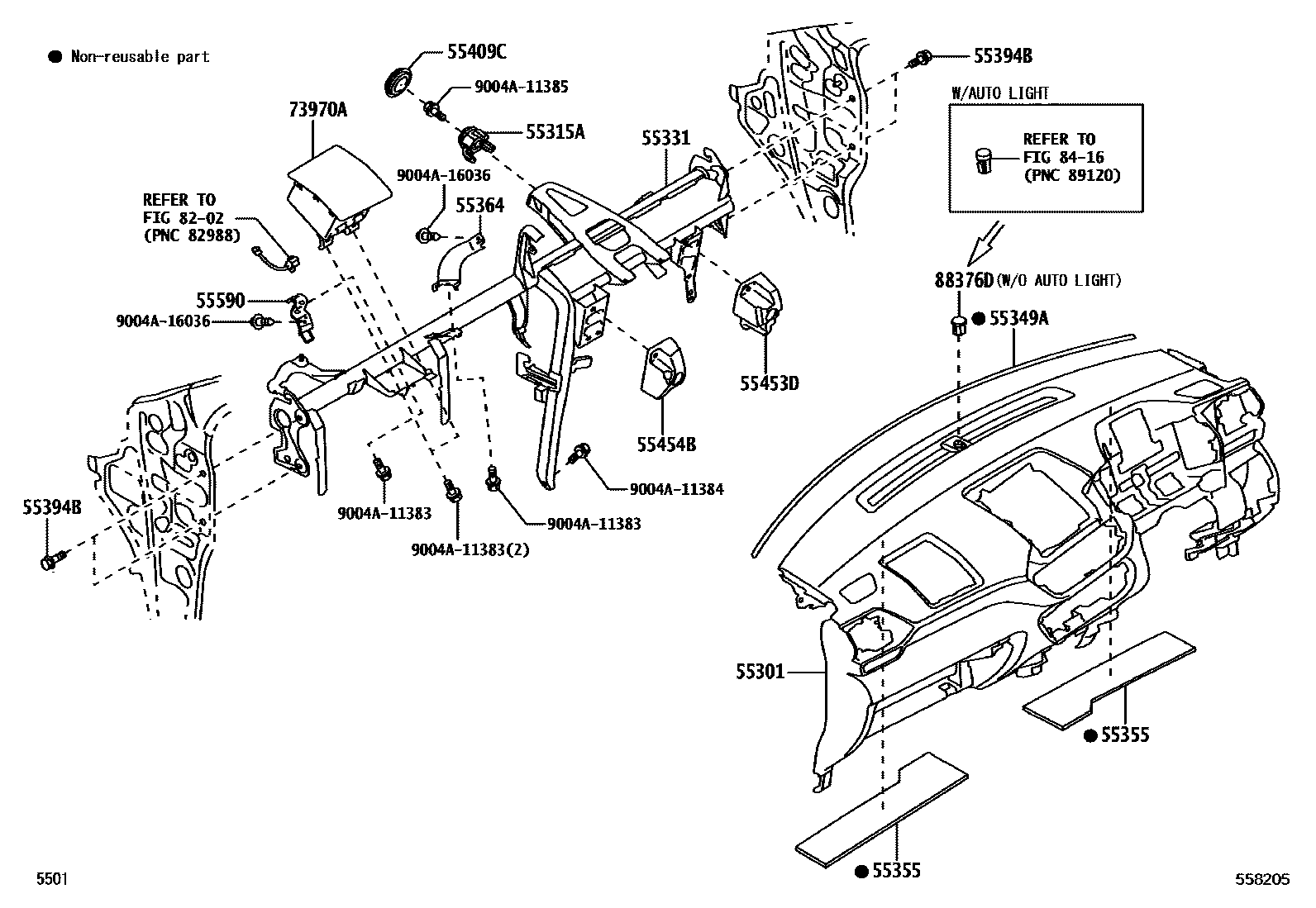
INSTRUMENT PANEL & GLOVE COMPARTMENT

55301PANEL SUB-ASSY, INSTRUMENT
BLACK,TRIM2#
main55311-BZ860-C0iA251..LHD..5F;A250..LHD..(GEN,PHL);A251..LHD..CVT..(V,X)..(CHL,GEN,PHL)202108-202608
BLACK,TRIM2#
BLACK,TRIM2#
BLACK,TRIM2#
55315ASPACER, INSTRUMENT PANEL, NO.1
55331REINFORCEMENT, INSTRUMENT PANEL
55349ACUSHION, INSTRUMENT PANEL
55355CUSHION, INSTRUMENT PANEL, NO.1
55364BRACKET, RADIO TUNER MOUNTING
main55365-BZ020iA250..LHD;A251..LHD..5F;A251..LHD..CVT..X..GEN;A251..CVT..(CHL,GCC,PHL)202108-202608
55394BBOLT, INSTRUMENT PANEL
55409CPLUG, HOLE
55453DPAD, INSTRUMENT PANEL SAFETY, NO.1
main55453-BZ130iA250..LHD;A251..LHD..5F;A251..LHD..CVT..X..GEN;A251..CVT..(CHL,GCC,PHL)202108-202608
55454BPAD, INSTRUMENT PANEL SAFETY, NO.2
main55454-BZ140iA250..LHD;A251..LHD..5F;A251..LHD..CVT..X..GEN;A251..CVT..(CHL,GCC,PHL)202108-202608
55590PLATE ASSY, GROVE COMPARTMENT DOOR LOCK STRIKER
main55590-BZ090iA250..LHD;A251..LHD..5F;A251..LHD..CVT..X..GEN;A251..CVT..(CHL,GCC,PHL)202108-202608
73970AAIRBAG ASSY, INSTRUMENT PANEL PASSENGER
BLACK,TRIM2#
main73970-BZ290-C0iA250..LHD;A251..LHD..5F;A251..LHD..CVT..X..GEN;A251..CVT..(CHL,GCC,PHL)202108-202608
BLACK,TRIM2#
8202WIRING & CLAMP
8416AUTOMATIC LIGHT CONTROL SYSTEM (CONLIGHT)
88376DCAP, BLIND
9004A11383
main9004A-11383
9004A11384
main9004A-11384
9004A11385
main9004A-11385
9004A16036
main9004A-16036
19 parts on this diagram · 12 diagrams in section