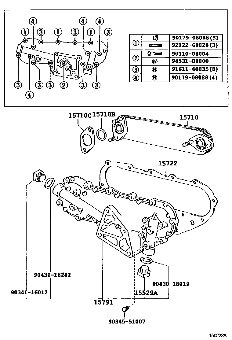
ENGINE OIL COOLER

15529APLUG
15710CGASKET(FOR OIL COOLER)
15722GASKET, OIL COOLER
9011008004
main90110-08004
9017908088
main90179-08088
9034116012
main90341-16012
9034551007
main90345-51007
9043016242
main90430-16242
9043018019
main90430-18019
9161160835
main91611-60835
9212260828
main92122-60828
9453100800
main94531-00800
15 parts on this diagram · 10 diagrams in section