E
EPC Data

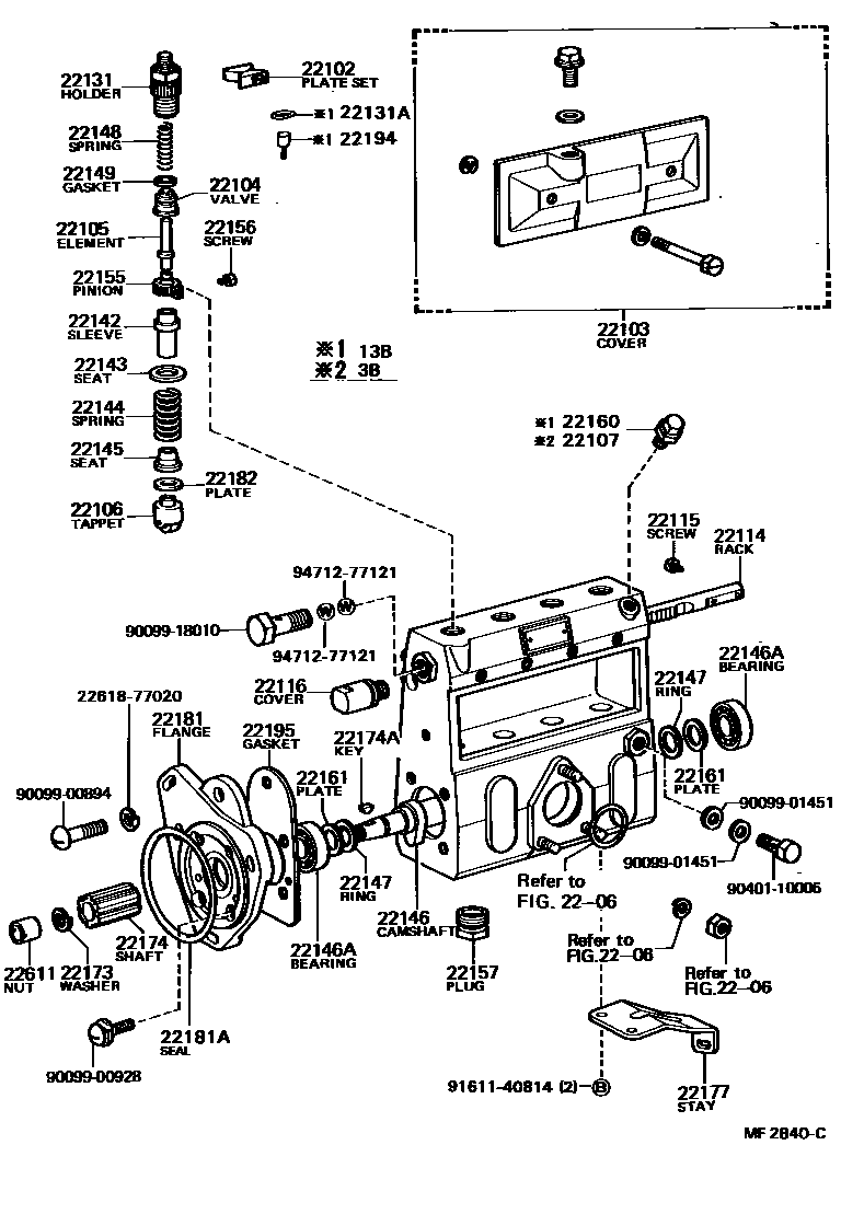
INJECTION PUMP BODY

Parts diagram
2206FUEL FEED PUMP
22102PLATE SET, VALVE HOLDER LOCK
main22102-58230×2i198510-198808
main22102-67010×2i198510-198510
main22102-77021×3i198808-199001
22103COVER SUB-ASSY, INJECTION PUMP
main22103-48030i198205-198808
main22103-58230i198510-198808
main22103-77130i198610-199001
22104VALVE SUB-ASSY, INJECTION PUMP DELIVERY
main22104-17010×4i199005-199301
main22104-17140×6i199001-199301
main22104-54060×6i198808-199005
main22104-56330×4i199002-199301
main22104-56350×4i199002-199301
main22104-58230×4i198510-198808
main22104-68110×6i198610-199001
main22104-68150×6i198610-199001
main22104-77020×4i198205-198808
22105ELEMENT SUB-ASSY, INJECTION PUMP
main22105-48030×6i198610-199001
main22105-58010×4i198205-198808
main22105-58230×4i198510-198808
main22105-68150×6i198610-199001
22106TAPPET SUB-ASSY, INJECTION PUMP
main22106-46010×6i198205-198808
22107BLEEDER SUB-ASSY, AIR
main22150-67010i198205-198808
main22160-78030i198610-199001
22114RACK, CONTROL
main22114-36010i198510-198808
main22114-47010i198610-199001
main22114-48030i198205-198808
main22114-77130i198610-199001
22115SCREW, RACK GUIDE
main22115-77020i198205-198808
22116COVER, CONTROL RACK
main22116-46010i198205-198808
main22116-56230i198510-198808
22131HOLDER, DELIVERY VALVE
main22131-54010×4i198808-199301
main22131-54110×4i198808-199005
main22131-54730×4i199005-199301
main22131-77020×6i198205-198808
main22131-78030×6i198510-198808
22131ARING, O(FOR DELIVERY VALVE HOLDER)
main90099-14070×4i198510-198808
22142SLEEVE, PLUNGER CONTROL
main22142-58230×6i198510-198808
main22142-77020×6i198205-198808
22143SEAT, SPRING UPPER
main22143-54010×2i198808-199301
main22143-56350×2i198808-199301
main22143-77020×6i198205-198808
22144SPRING, PUMP PLUNGER
main22144-17140×2i199001-199301
main22144-46010×6i198205-198808
main22144-54180i198808-199301
main22144-54190×2i199001-199301
main22144-56350×2i198808-199301
22145SEAT, SPRING, LOWER
main22145-46010×6i198205-198808
main22145-54010i198808-199301
main22145-56350i198808-199301
main22145-78030×6i198510-198808
22146CAMSHAFT, INJECTION PUMP
main22146-56010i198205-198808
main22146-58230i198510-198808
main22146-68110i198610-199001
main22146-68150i198610-199001
22146ABEARING(FOR INJECTION CAMSHAFT)
main90033-66011i198510-198808
GOVERNOR SIDE
main90099-10087×2i198808-199001
main90099-10151i198610-199001
NO.2
22147RING, CAMSHAFT ADJUST
main22147-77020×2i198205-198808
main22147-78030i198510-198808
NO.2
22148SPRING, DELIVERY VALVE
main22148-17140×6i199001-199301
main22148-46010×4i198205-198808
main22148-54010×6i198808-199301
main22148-56350×4i198808-199301
main22148-68010×6i198610-199001
main22148-78030×6i198808-199001
22149GASKET, DELIVERY VALVE
main22149-54010×4i198808-199005
main22149-56351×4i199005-199301
main22149-76010×6i198808-199001
main22149-78030×6i198510-198808
22155PINION, PLUNGER CONTROL
main22155-76010×6i198808-199001
22156SCREW, PLUNGER CONTROL PINION CLAMP
main22156-76010×6i198205-198808
22157PLUG, INJECTION PUMP FELT PLATE
main22157-48023×4i198205-198510
main22157-48024×6i198510-198808
22160SCREW SUB-ASSY, OVERFLOW
main22160-56350i198808-199301
main22160-64010i198808-199301
main22160-78030i198510-198808
22161PLATE, CAMSHAFT SHIM
main22161-76010i198510-198808
T=0.10,NO.1, T=0.10
main22162-76010i198510-198808
T=0.12,NO.1, T=0.12
main22163-76010i198808-199001
T=0.14,NO.1, T=0.14; T=0.14,T=0.14
main22164-76010×2i198205-198808
T=0.16,T=0.16
main22165-76010i198510-198808
T=0.18,NO.1, T=0.18
main22166-76010×2i198205-198808
T=0.50,T=0.50
main22166-78032i198510-198808
T=0.10,NO.2, T=0.10
main22166-78033i198510-198808
T=0.15,NO.2, T=0.15
main22166-78034i198510-198808
T=0.30,NO.2, T=0.30
main22166-78035i198510-198808
T=0.50,NO.2, T=0.50
22173WASHER, SPRING
main22173-46010i198205-198808
main90099-01449i198510-198808
22174SHAFT, SPLINE
main22174-47010i198205-198808
main22174-58201i198510-198808
main22174-58270i198808-199301
22174AKEY(FOR SPLINE SHAFT)
main90099-13002i198205-198808
main90099-13020i198610-199001
main90099-13023i198510-198808
22177STAY, INJECTION PUMP BODY
main22177-56042i198205-198808
main22177-68010i198610-199001
22181FLANGE, INJECTION PUMP
main22181-56040i198205-198808
main22181-58230i198510-198808
22181ASEAL, OIL(FOR INJECTION PUMP FLANGE)
main90099-14079i198510-198808
22182PLATE, TAPPET ADJUSTING SHIM
main22182-46010×6i198205-198808
T=0.10,T=0.10
main22182-54010×2i198808-199301
T=0.5,T=0.5
main22183-46010×6i198808-199001
T=0.20,T=0.20
main22183-54010×2i198808-199301
T=0.8,T=0.8
main22184-46010×6i198205-198808
T=0.30,T=0.30
main22184-54010×2i198808-199301
T=1.0,T=1.0
main22185-46010×6i198205-198808
T=0.40,T=0.40
main22185-54010×2i198808-199301
T=1.2,T=1.2
main22186-46010×6i198205-198808
T=0.50,T=0.50
main22186-48010×6i198808-199001
T=0.15,T=0.15
main22186-54010×2i198808-199301
T=1.5,T=1.5
main22187-46010×6i198205-198808
T=0.60,T=0.60
main22187-54010×2i198808-199301
T=1.8,T=1.8
main22188-46010×6i198205-198808
T=0.70,T=0.70
main22188-54010×2i198808-199301
T=2.0,T=2.0
main22189-46010×6i198205-198808
T=0.80,T=0.80
main22189-48031×6i198205-198808
T=0.90,T=0.90
main22189-48032×6i198205-198808
T=1.00,T=1.00
main22189-48033×6i198205-198808
T=1.10,T=1.10
main22189-48034×6i198205-198808
T=1.20,T=1.20
main22189-48035×6i198205-198808
T=1.30,T=1.30
main22189-48036×6i198205-198808
T=1.40,T=1.40
22194STOPPER, DELIVERY VALVE
main22194-78030×4i198510-198808
22195GASKET, BEARING COVER
main22195-48030i198205-198808
main22195-58230i198510-198808
main22195-68010i198610-199001
main22195-68150i198610-199001
22611NUT, TIMER ROUND
main22611-46010i198205-198808
main22611-58200i198808-199301
main22611-68010i198610-199001
main22611-78030i198610-199001
2261877020GASKET, TIMER SCREW
9009900894
9009900928
9009901451
9009918010
9040110006
9161140814
9471277121

44 parts on this diagram · 12 diagrams in section

INJECTION PUMP BODY — Toyota Parts Diagram with OEM Numbers & Prices | EPC Data