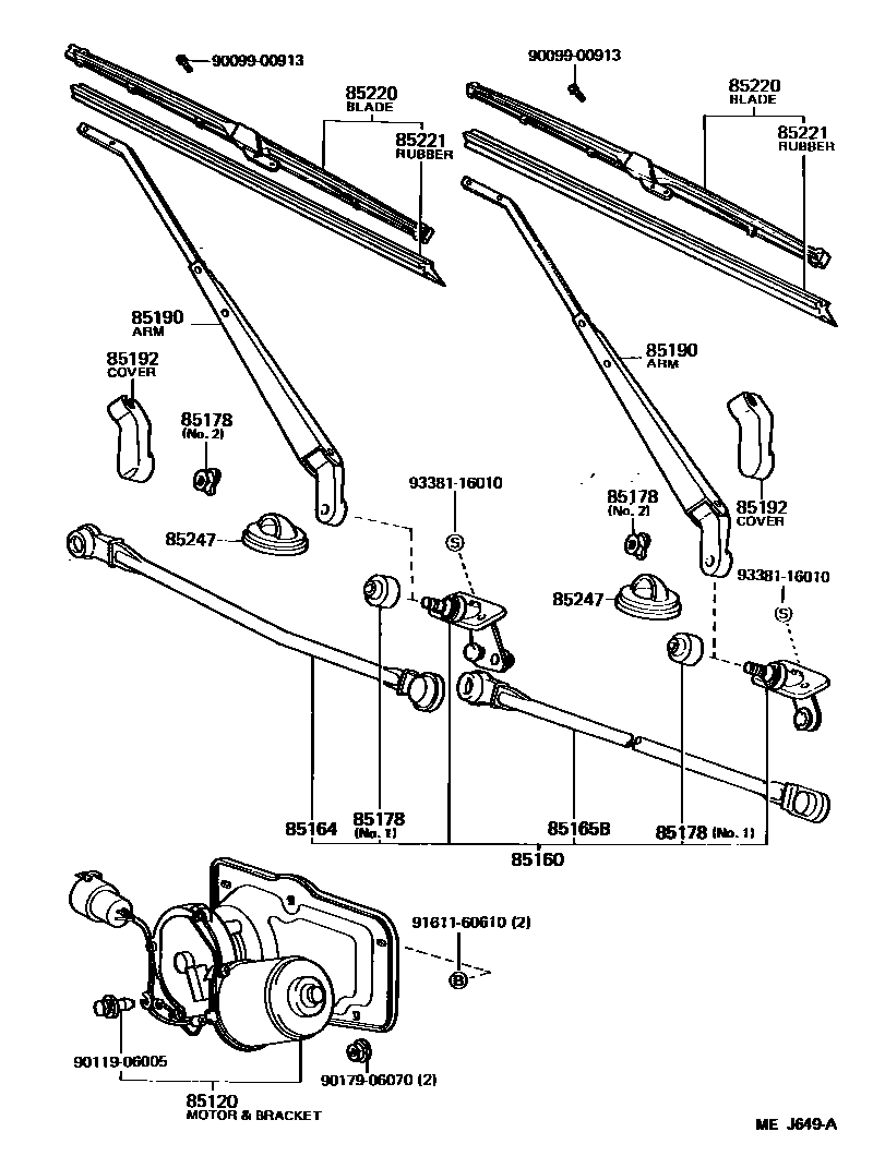
WINDSHIELD WIPER

85120MOTOR AND BRACKET ASSY, WINDSHIELD WIPER
85160LINK ASSY, WINDSHIELD WIPER
85164ROD, WINDSHIELD WIPER LINK, NO.1
85165BROD, WIPER LINK, NO.2
85178NUT (FOR FRONT WIPER ARM SETTING)
NO.1
NO.2
85190ARM ASSY, WINDSHIELD WIPER
LH
RH
RH
LH
85192COVER, WINDSHIELD WIPER ARM
85220BLADE ASSY, WINDSHIELD WIPER
LH
RH
LH
RH
85221BLADE, WINDSHIELD WIPER
85247CAP, SHIELD
9009900913
main90099-00913
9011906005
main90119-06005
9017906070
main90179-06070
9161160610
main91611-60610
9338116010
main93381-16010
15 parts on this diagram · 1 diagram in section